EasyManua.ls Logo

Yamaha FJR1300A - Electric Starter

Yamaha FJR1300A
586 pages
Print Icon
To Next Page IconTo Next Page
To Next Page IconTo Next Page
To Previous Page IconTo Previous Page
To Previous Page IconTo Previous Page
Loading...
ELECTRIC STARTER
5-37
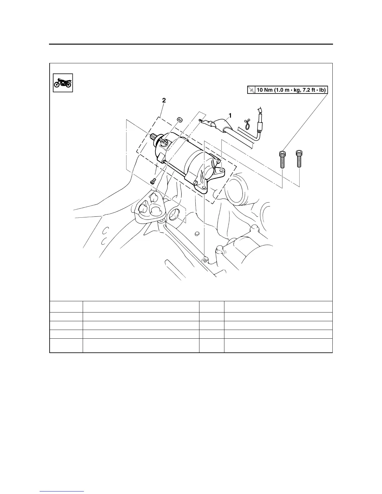
EAS24780
ELECTRIC STARTER
Removing the starter motor
Order Job/Parts to remove Qty Remarks
Throttle bodies Refer to THROTTLE BODIES on page 7-4.
1 Starter motor lead 1 Disconnect.
2 Starter motor assembly 1
For installation, reverse the removal proce-
dure.
Manuals by Motomatrix / www.motomatrix.co.uk / The Solution For Lost Motorcycle Coded Keys
email: info@motomatrix.co.uk

Table of Contents

Other manuals for Yamaha FJR1300A

Related product manuals