EasyManua.ls Logo

Yamaha FJR1300A - Page 412

Yamaha FJR1300A
586 pages
Print Icon
To Next Page IconTo Next Page
To Next Page IconTo Next Page
To Previous Page IconTo Previous Page
To Previous Page IconTo Previous Page
Loading...
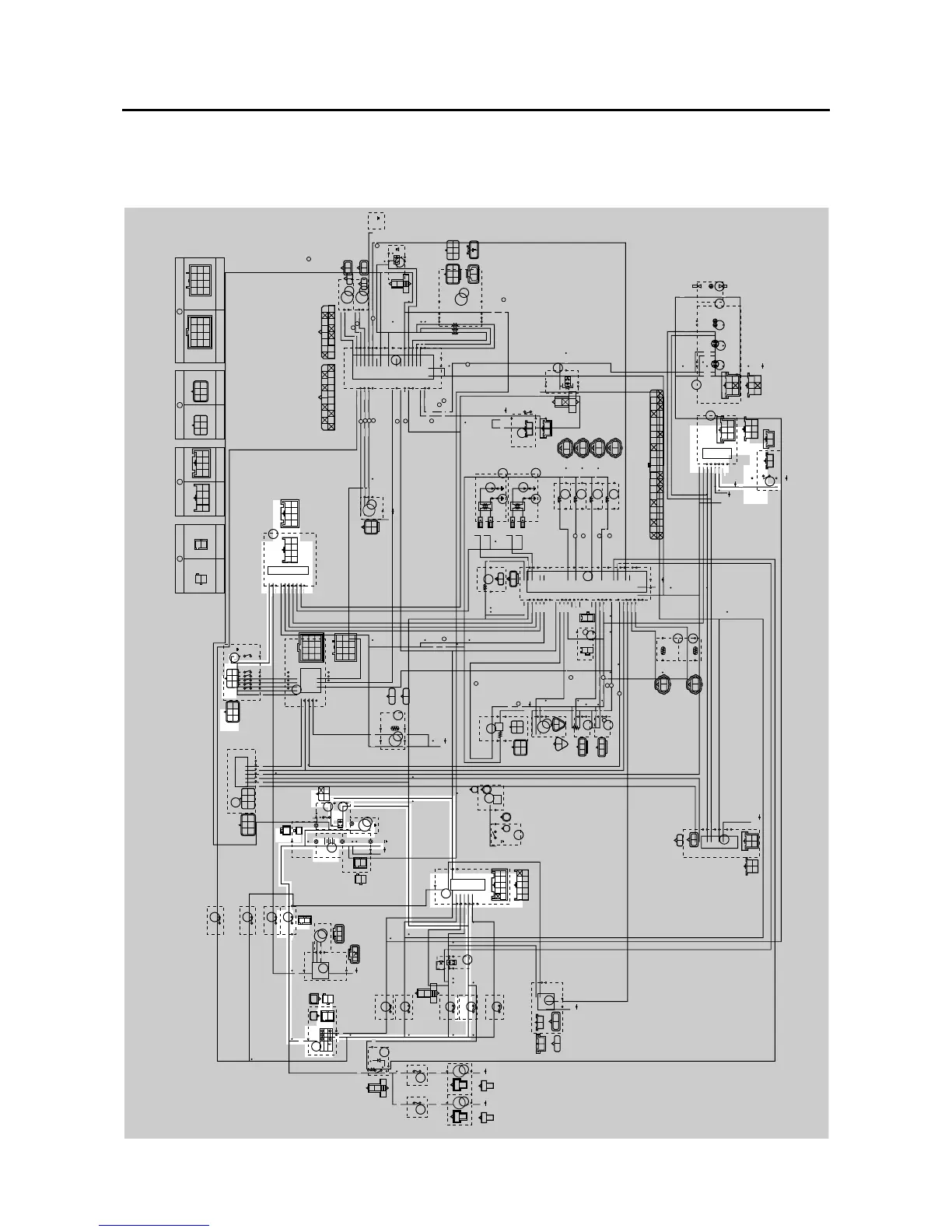
ELECTRIC STARTING SYSTEM
8-9
EAS27160
ELECTRIC STARTING SYSTEM
EAS27170
CIRCUIT DIAGRAM (1/2)
R
Br/L
Br/R
R
BB
R/W
R/G
B/W
Y/L
G/B
B/R
B
Br/B
Br/B
Br/B
Br/B
L/Y
L
L/Y
L/Y
L
B
B
R
Lg/W
B
B
G/W
R/L
B/W
B3
L/G
B
L/R
B
B
Dg
Ch
Y/G
L/R
G/Y
Br/B
Br
R/B
R/W
R/W
W/L
R/W
W/G
W/Y
B/W
B/W
B/W
R/L
R/L
R/B
W/B
R/W
B
B
B
B2
Br/B
Br/B
Br/B
Y/G
Y/G
Y/G
B
Y/W
B/Y
B/R
Y/W
B/Y
L
G/R
L/W
P
L/W
P
W/L
Sb
R
R
R
B
B
B
B
B
B
B/W
R
R/L
L/W
R/W
R
B
W
W
Br/W
G/L
R/B
BB
B1
BB4
BB3
BB2
BB1
L/R
Br/R
G/Y
R/W
Br/L
Br/L
Br/L
L/R
Br
R/Y
R/Y
R/Y
G/L
Y/W
R/W
Br/B
Br/L
Br
R/Y
G/L
R/W
Br/B
Br/R
R/B
L/W
W/B
W/B
Y
L
W/B
B/L
B
B
B
Gy/W
Gy/W
Gy/W
R/L
B/L
B/L
Y
L
L
B/L
P/W
Y
P/W
P/W
B/L
B/L
Br/W
G/W
B/L
B/L
O
R/B
Gy/R
O
Br/R
Br/R
R/W
Gy/R
O/B
L/B
G/B
R/B
O/B
L/B
G/B
R/B
O/B
L/B
G/B
R/B
O/B
R/L
L/B
G/B
R/B
R/L
R/L
R/L
G/Y
Y/W
W/Y
R/W
R/W
B/Y
L/Y
B/R
R/L
W/B
Gy/W
L/W
P/W
B/L
B/L
Y
L
Y/L
Y/G
Lg/W
G/W
Br/W
R/L
B/W
B/L
L/G
B/W
W/Y
W/Y
W/Y
W/L
W/G
W/B
R/B
R/W
R/L
R/L
R/L
R/L
W/Y
B/W
B/W
B/W
B
W
B
B
W
W
W
B
W
B
W
B
Br/W
Br/W
Sb
Sb
Sb
Lg
Lg
Lg
G/R
G/R
G/R
W/L
W/L
W/L
L/W
G/Y
G/Y
G/Y
L/W
L/W
Sb
Lg
G/R
G/B
Sb
R/G
R/L
B/R
L/Y
B/Y
R/B
G/Y
Y/L
Y/G
G/W
Br/R
Br/L
Br/L
Br/W
B
W
W
L
L
Ch
Dg
B
R
R
R/G
R
W
W
W
W
Y/G
ON
OFF
P
R
Br/L
B
B/G
R
R
R
Br/L
B/W
R/L
B/W
R/L
B
B/W
Br/R
Br/R
BR
(BLACK)
R
R
L/W
R/L
R/W
W/Y
B
G/RLg
Sb W
Sb
LgG/R
B
W/Y
W
G/WB
R/LB
(DARK GREEN)
L/Y
B/R
R/LR/G
G/Y
SbR/B
B/Y
R/G
R/L
B/RL/Y
B/Y
Sb
G/Y
R/B
B
G/R
Lg
Sb
Br/R
R/W
G
O
C
C
B
C
A
A
A
A
A
A
A
C
C
C
C
C
A
A
A
A
A
D
B
B
B
A
B
D
WB
B2 B1
B1 BB
Lg/W
B
B
Lg/W
WB
W
R/Y
G/L
R/Y
Y/W
B
L
Y
Ch
Dg
B/WL/G
Ch
Dg
B/L
B
L/R
B
Y/G
Ch
Dg
Ch
B/WL/G
Dg
B/L
B
G/L
R/B
R/B
G/L
O/B
(GRAY)
R/L
B/L
Br/W
(BLACK)
(GREEN)
B/L
G/W
L/B
(GRAY)
R/L
G/B
(GRAY)
R/L
R/B
(GRAY)
R/L
Gy
B/L
Gy
B
B
LW
B
(
BLACK
)
W
L/Y
B/L
LY
B/L
(BLACK)
P/W
B/LL
(BLACK)
B
B
B
B
W
W
W
W
B
L
(BLACK)
B
(BLACK)
L
B
(BLACK)
B
(BLACK)
L
WIRE HARNESS
B
WIRE HARNESS
C
WIRE HARNESS
D
WIRE HARNESS
B
Y/G
G/Y
Br
Br/B
(BLACK)
Gy
Gy
(BLUE)
(BLUE)
B
B
(
BROWN
)
(
BROWN
)
Br/B
B
Sb
B/YB/R
Y/W
L/W
P
Ch
B/GB/RDg
B
L
R/G
R/WG/BY/L
B/W
BB
B
Y/LLgR/W
R/G
B2
BB2
BB1BB4
BB3
R
Br/B
R/WG/Y
R
Br
R/WG/L
L/W
R/Y
R/B
L/R
Br/B
G/L
R/W
Br
Br/B
L/R
R/Y
R/B
L/W
Br/R
L
Y/L
Y/WB/Y
G/WW/LY/GL/W
P
B/RG/BG/R
(GRAY)
B/Y
Y/WY/L
L
L/W
Y/G
W/LG/W
P
(GRAY)
G/RG/BB/R
SUB-WIRE HARNESS
Br/W
Y/G
W/LL/W
B/W
Br/B
G/Y
B
L/W
W/L
Y/G
Br/W
B
Br/B
B/W
G/Y
W
W
W/B
Br/B
W/L
Br/W
B
B
B/W
G/R
G/Y
W/Y
Lg
R/B
B
W/G
W/L
W/Y
R/L
Y/G
Sb
B2
L/W
R/W
R/L
R/B
R/WW/B
L/G
B
(
BLUE
)
B
B
(
BLUE
)
B
B/L
Gy/W
R/L
(
BLACK
)
W/Y
R/W
W/B
B/R
L/W
Y
G/Y
Y/G
B/Y
R/W
Y/L
P/W
Br/W
B/W
B/L
Gy/W
Y/W
L
L/Y
G/W
R/B
Gy
G/B
L/B
R/L
O/B
Lg/W
Br/R
B3
O
Gy/R
(BLACK)
L
W/B
B/L
L
R/L
R/B
G/B
Y
Gy/W
L/B
O/B
P/W
B/L
B
W/B
G/B
R/BR/L
L
O/B
L/B
Gy/W
Y
P/W
W/B
B
B/L
(GRAY)
(GRAY)
ABS WIRE HARNESSABS WIRE HARNESSABS WIRE HARNESS
R/W
W/GW/LW/Y
R/WR/W
(GRAY)
(GRAY)(GRAY)
B/WR/B
Gy
Gy
W
(GRAY)
R
RWG
GW
RB
WWW
(GRAY)
1
2
3
4
5
6
7
8
9
10
11
12
13
14
15
16
17
18
19
20
21
22
23
24
25
26
27
28
28
29
30
31
32
33
34
34
34
34
35
36
37
38
39
40
41
42
43
44
45
46
47
48
49
50
51
52
53
54
55
56
57
58
59
60
61
62
64
63
Manuals by Motomatrix / www.motomatrix.co.uk / The Solution For Lost Motorcycle Coded Keys
email: info@motomatrix.co.uk

Table of Contents

Other manuals for Yamaha FJR1300A

Related product manuals