EasyManua.ls Logo

Yamaha FJR1300A - Page 490

Yamaha FJR1300A
586 pages
Print Icon
To Next Page IconTo Next Page
To Next Page IconTo Next Page
To Previous Page IconTo Previous Page
To Previous Page IconTo Previous Page
Loading...
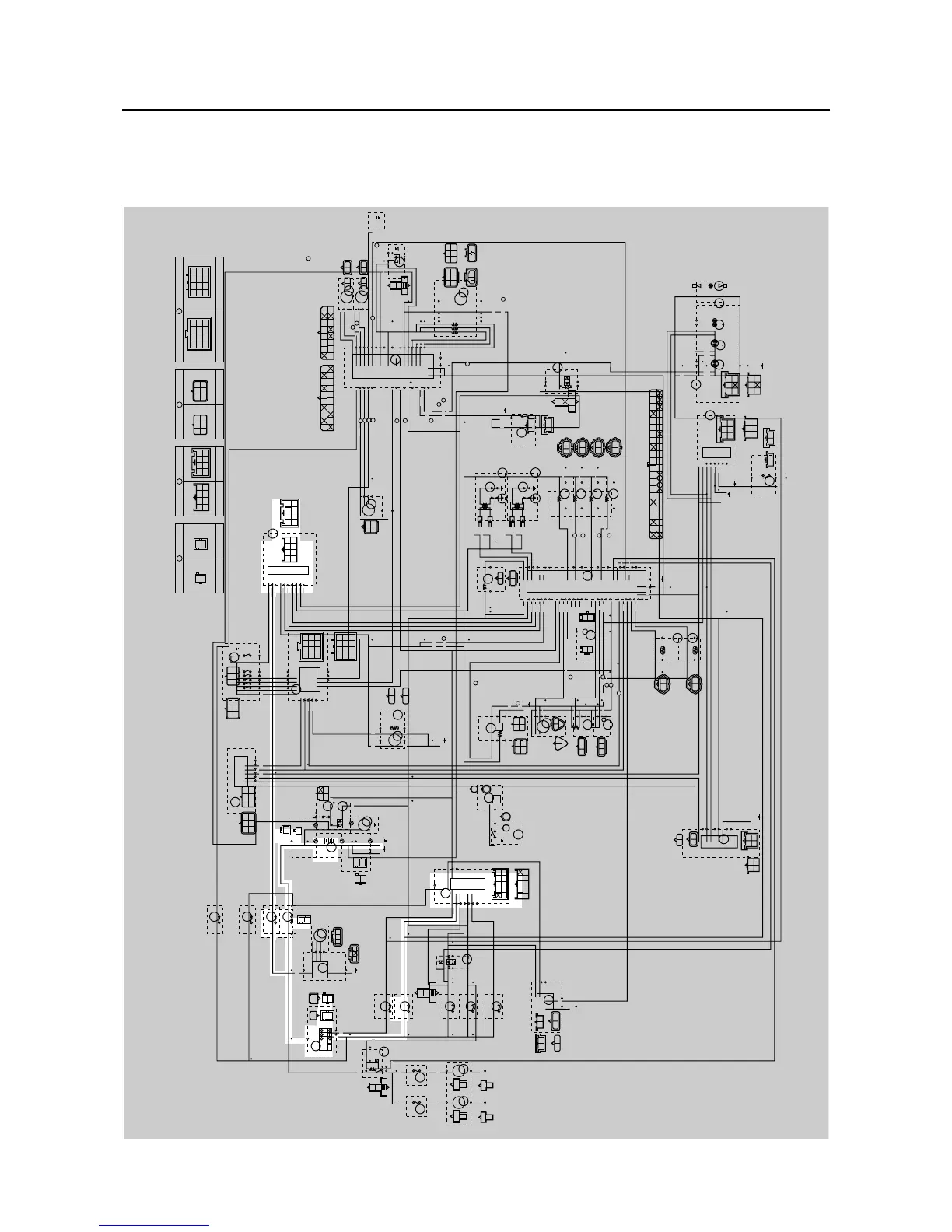
WINDSHIELD DRIVE SYSTEM
8-87
EAS27610
WINDSHIELD DRIVE SYSTEM
EAS27620
CIRCUIT DIAGRAM (1/2)
R
Br/L
Br/R
R
BB
R/W
R/G
B/W
Y/L
G/B
B/R
B
Br/B
Br/B
Br/B
Br/B
L/Y
L
L/Y
L/Y
L
B
B
R
Lg/W
B
B
G/W
R/L
B/W
B3
L/G
B
L/R
B
B
Dg
Ch
Y/G
L/R
G/Y
Br/B
Br
R/B
R/W
R/W
W/L
R/W
W/G
W/Y
B/W
B/W
B/W
R/L
R/L
R/B
W/B
R/W
B
B
B
B2
Br/B
Br/B
Br/B
Y/G
Y/G
Y/G
B
Y/W
B/Y
B/R
Y/W
B/Y
L
G/R
L/W
P
L/W
P
W/L
Sb
R
R
R
B
B
B
B
B
B
B/W
R
R/L
L/W
R/W
R
B
W
W
Br/W
G/L
R/B
BB
B1
BB4
BB3
BB2
BB1
L/R
Br/R
G/Y
R/W
Br/L
Br/L
Br/L
L/R
Br
R/Y
R/Y
R/Y
G/L
Y/W
R/W
Br/B
Br/L
Br
R/Y
G/L
R/W
Br/B
Br/R
R/B
L/W
W/B
W/B
Y
L
W/B
B/L
B
B
B
Gy/W
Gy/W
Gy/W
R/L
B/L
B/L
Y
L
L
B/L
P/W
Y
P/W
P/W
B/L
B/L
Br/W
G/W
B/L
B/L
O
R/B
Gy/R
O
Br/R
Br/R
R/W
Gy/R
O/B
L/B
G/B
R/B
O/B
L/B
G/B
R/B
O/B
L/B
G/B
R/B
O/B
R/L
L/B
G/B
R/B
R/L
R/L
R/L
G/Y
Y/W
W/Y
R/W
R/W
B/Y
L/Y
B/R
R/L
W/B
Gy/W
L/W
P/W
B/L
B/L
Y
L
Y/L
Y/G
Lg/W
G/W
Br/W
R/L
B/W
B/L
L/G
B/W
W/Y
W/Y
W/Y
W/L
W/G
W/B
R/B
R/W
R/L
R/L
R/L
R/L
W/Y
B/W
B/W
B/W
B
W
B
B
W
W
W
B
W
B
W
B
Br/W
Br/W
Sb
Sb
Sb
Lg
Lg
Lg
G/R
G/R
G/R
W/L
W/L
W/L
L/W
G/Y
G/Y
G/Y
L/W
L/W
Sb
Lg
G/R
G/B
Sb
R/G
R/L
B/R
L/Y
B/Y
R/B
G/Y
Y/L
Y/G
G/W
Br/R
Br/L
Br/L
Br/W
B
W
W
L
L
Ch
Dg
B
R
R
R/G
R
W
W
W
W
Y/G
ON
OFF
P
R
Br/L
B
B/G
R
R
R
Br/L
B/W
R/L
B/W
R/L
B
B/W
Br/R
Br/R
WWW
(GRAY)
BR
(BLACK)
R
R
L/W
R/L
R/W
W/Y
B
G/RLg
Sb W
Sb
LgG/R
B
W/Y
W
G/WB
R/LB
(DARK GREEN)
L/Y
B/R
R/LR/G
G/Y
SbR/B
B/Y
R/G
R/L
B/RL/Y
B/Y
Sb
G/Y
R/B
B
G/R
Lg
Sb
Br/R
R/W
G
O
C
C
B
C
A
A
A
A
A
A
A
C
C
C
C
C
A
A
A
A
A
D
B
B
B
A
B
D
WB
Gy
W
B2 B1
B1 BB
Lg/W
B
B
Lg/W
WB
Gy
W
R/Y
G/L
R/Y
Y/W
B
L
Y
Ch
Dg
B/WL/G
Ch
Dg
B/L
B
L/R
B
Y/G
Ch
Dg
Ch
B/WL/G
Dg
B/L
B
G/L
R/B
R/B
G/L
O/B
(GRAY)
R/L
B/L
Br/W
(BLACK)
(GREEN)
B/L
G/W
L/B
(GRAY)
R/L
G/B
(GRAY)
R/L
R/B
(GRAY)
R/L
Gy
B/L
Gy
B
W
L/Y
B/L
LY
B/L
(BLACK)
P/W
B/LL
(BLACK)
B
B
B
B
W
W
W
W
B
L
(BLACK)
B
(BLACK)
L
B
(BLACK)
B
(BLACK)
L
WIRE HARNESS
B
WIRE HARNESS
C
WIRE HARNESS
D
WIRE HARNESS
B
Y/G
G/Y
Br
Br/B
(BLACK)
Gy
Gy
(BLUE)
(BLUE)
R/W
W/GW/LW/Y
R/WR/W
(GRAY)
(GRAY)(GRAY)
(GRAY)
R
GW
R
R
GW
B/WR/B
B
R/L
R/B
R/WW/B
W
W
W/B
Br/B
W/L
Br/W
B
B
B/W
G/R
G/Y
W/Y
Lg
R/B
B
W/G
W/L
W/Y
R/L
Y/G
Sb
B2
L/W
R/W
SUB-WIRE HARNESS
ABS WIRE HARNESSABS WIRE HARNESSABS WIRE HARNESS
L
R/L
R/B
G/B
Y
Gy/W
L/B
O/B
P/W
B/L
B
W/B
G/B
R/BR/L
L
O/B
L/B
Gy/W
Y
P/W
W/B
B
B/L
Br/W
Y/G
W/LL/W
B/W
Br/B
G/Y
B
(GRAY)
(GRAY)
L/W
W/L
Y/G
Br/W
B
Br/B
B/W
G/Y
L
Y/L
Y/WB/Y
G/WW/LY/GL/W
P
B/RG/BG/R
(GRAY)
B/Y
Y/WY/L
L
L/W
Y/G
W/LG/W
P
(GRAY)
G/RG/BB/R
R
Br
R/WG/L
L/W
R/Y
R/B
L/R
Br/B
G/L
R/W
Br
Br/B
L/R
R/Y
R/B
L/W
Br/R
BB2
BB1BB4
BB3
W/Y
R/W
W/B
B/R
L/W
Y
G/Y
Y/G
B/Y
R/W
Y/L
P/W
Br/W
B/W
B/L
Gy/W
Y/W
L
L/Y
G/W
R/B
Gy
G/B
L/B
R/L
O/B
Lg/W
Br/R
B3
O
Gy/R
(BLACK)
L/G
B
(
BLUE
)
B
B
(
BLUE
)
Sb
B/YB/R
Y/W
L/W
P
Ch
B/GB/RDg
B
L
R
Br/B
R/WG/Y
R/G
R/WG/BY/L
B/W
BB
B
Y/LLgR/W
R/G
B2
B
B/L
Gy/W
R/L
(
BLACK
)
B
L
W
B
(
BLACK
)
L
W/B
B/L
B
B
(
BROWN
)
(
BROWN
)
Br/B
B
1
2
3
4
5
6
7
8
9
10
11
12
13
14
15
16
17
18
19
20
21
22
23
24
25
26
27
28
28
29
30
31
32
33
34
34
34
34
35
36
37
38
39
40
41
42
43
44
45
46
47
48
49
50
51
52
53
54
55
56
57
58
59
60
61
62
64
63
Manuals by Motomatrix / www.motomatrix.co.uk / The Solution For Lost Motorcycle Coded Keys
email: info@motomatrix.co.uk

Table of Contents

Other manuals for Yamaha FJR1300A

Related product manuals