EasyManua.ls Logo

Yamaha FJR1300A - Page 496

Yamaha FJR1300A
586 pages
Print Icon
To Next Page IconTo Next Page
To Next Page IconTo Next Page
To Previous Page IconTo Previous Page
To Previous Page IconTo Previous Page
Loading...
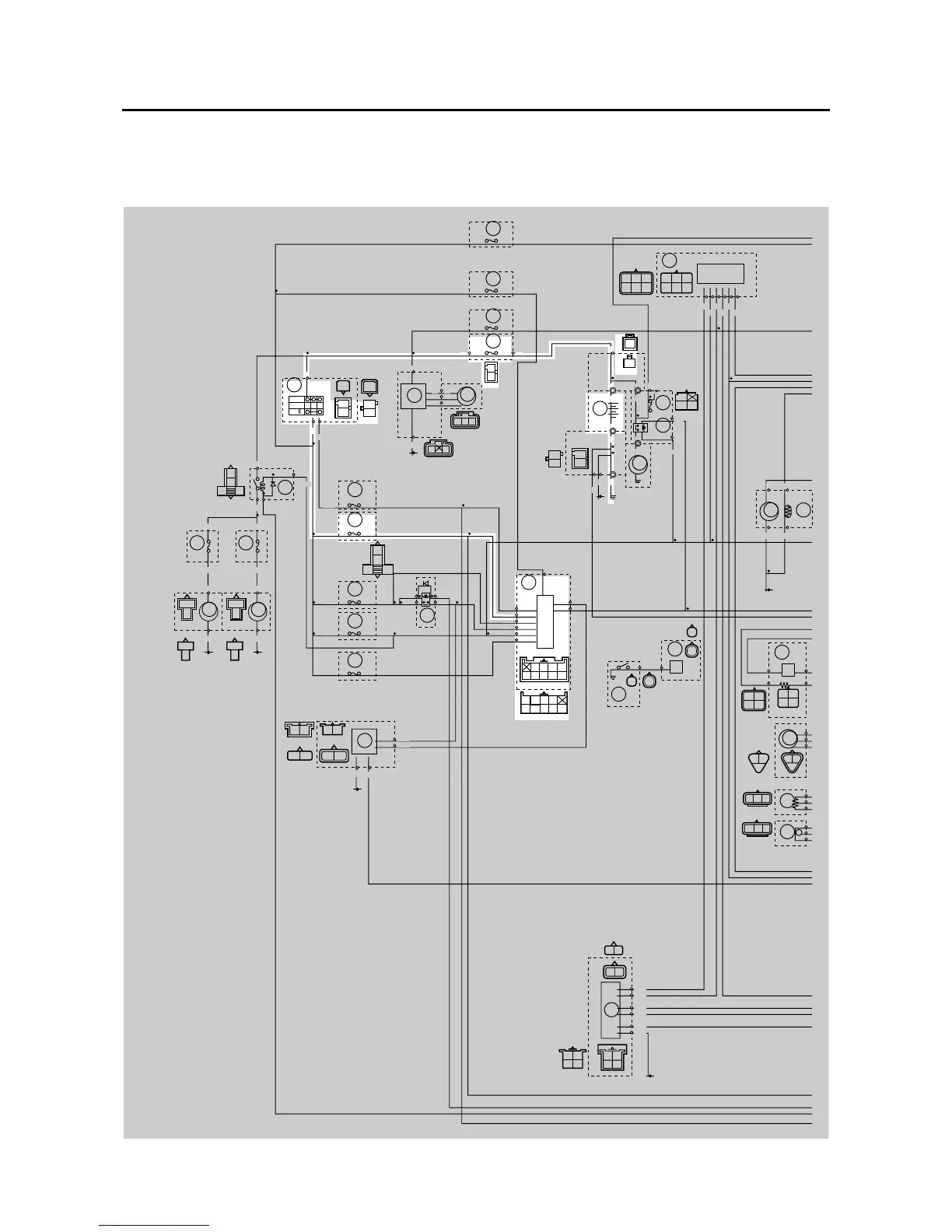
ACCESSORY BOX SYSTEM
8-93
ET3P61009
ACCESSORY BOX SYSTEM
ET3P61010
CIRCUIT DIAGRAM (1/2)
R
Br/L
Br/R
R
BB
R/W
R/G
B/W
Y/L
G/B
Br/B
Br/B
Br/B
L/Y
L
L/Y
L/Y
L
B
B
R
Lg/W
B
B
G/W
R/L
R
R
R
B
B
B
B
B
B
B/W
R
R/L
L/W
R/W
R
B
W
W
G/L
R/B
BB
B1
BB4
BB3
BB2
BB1
L/R
Br/R
G/Y
R/W
Br/L
Br/L
Br/L
L/R
Br
R/Y
R/Y
R/Y
G/L
Y/W
R/W
Br/B
Br/L
Br
R/Y
G/L
R/W
Br/B
Br/R
R/B
L/W
Gy/W
R/L
Br/R
Br/L
Br/L
Br/W
B
W
W
R
R
R/G
R
W
W
W
W
ON
OFF
P
(BLUE)
(BLUE)
R
Br/L
B
B/G
R
R
R
Br/L
B
B/W
Br/R
Br/R
WWW
(GRAY)
BR
(BLACK)
R
R
L/W
R/L
R/W
R/G
R/WG/BY/L
B/W
BB
B
Y/LLgR/W
R/G
B2
B2 B1
B1 BB
Lg/W
B
B
Lg/W
R
Br/B
R/WG/Y
R/Y
G/L
R/Y
Y/W
G/L
R/B
R/B
G/L
B
B/L
Gy/W
R/L
(
BLACK
)
B
L
W
B
(
BLACK
)
W
L/Y
B/L
L
W/B
B/L
LY
B/L
(BLACK)
P/W
B/LL
(BLACK)
B
B
B
B
BB2
BB1BB4
BB3
W
W
W
W
R
Br
R/WG/L
L/W
R/Y
R/B
L/R
Br/B
G/L
R/W
Br
Br/B
L/R
R/Y
R/B
L/W
Br/R
B
L
(BLACK)
B
(BLACK)
L
B
(BLACK)
B
(BLACK)
L
1
2
3
4
5
6
7
8
9
10
11
12
15
16
45
46
47
48
49
50
51
52
53
54
55
56
57
58
59
60
61
62
64
63
Manuals by Motomatrix / www.motomatrix.co.uk / The Solution For Lost Motorcycle Coded Keys
email: info@motomatrix.co.uk

Table of Contents

Other manuals for Yamaha FJR1300A

Related product manuals