EasyManua.ls Logo

Yamaha XVS650 - Page 177

Yamaha XVS650
360 pages
Print Icon
To Next Page IconTo Next Page
To Next Page IconTo Next Page
To Previous Page IconTo Previous Page
To Previous Page IconTo Previous Page
Loading...
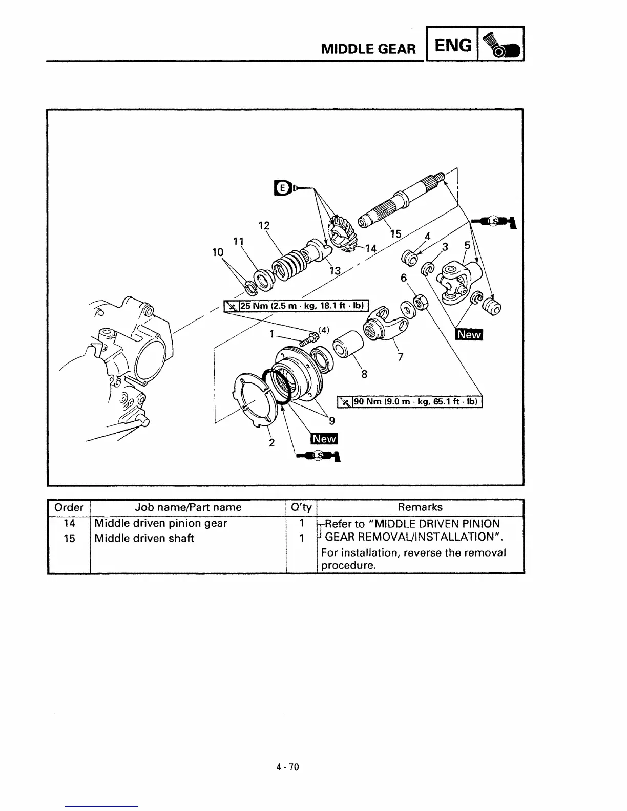
MIDDLE GEAR
ENG
90
Nm
(9.0 m . kg, 65.1
it
.
Ib)
Order
Job
name/Part name
Q'ty
Remarks
14 Middle driven pinion gear
1
r~efer
to
IIMIDDLE
DRIVEN
PINION
15
Middle driven shaft
1
GEAR
REMOVALJINSTALLATION".
For installation, reverse the removal
procedure.
4 - 70

Table of Contents

Other manuals for Yamaha XVS650

Related product manuals