EasyManua.ls Logo

YASKAWA MP920 - Page 301

YASKAWA MP920
336 pages
Print Icon
To Next Page IconTo Next Page
To Next Page IconTo Next Page
To Previous Page IconTo Previous Page
To Previous Page IconTo Previous Page
Loading...
Appendix D Wiring Communications
D.1.1 Connection Methods
D-10
CP-215 Repeater-TS2 Cable Connections
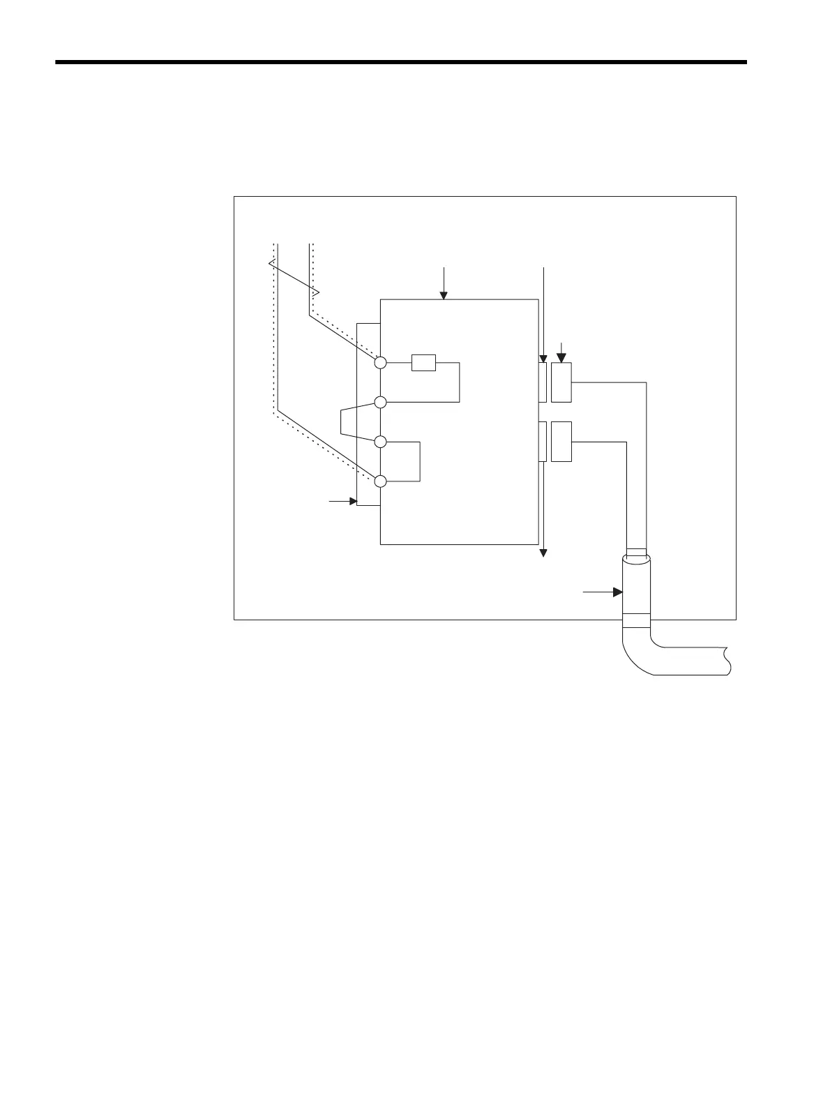
The following figure shows a CP-215 Repeater-TS2 transmission line connection example.
Fig. D.7 CP-215 Repeater-TS2 Transmission Line Connection Example
• Connect the in-panel twisted-pair cable (YS-IPEV-SB, 1P × 0.3 mm
2
, manufactured by
Fujikura Corporation) equipped with an MR-8LM(G) connector to the CN1 transmission
connector on the Repeater.
• Connect pins 8 and 1 of the CN1 transmission connector on the Repeater to SRD+ and
SRD-, respectively.
• Connect the CN3 and CN4 optical transmission connectors on the Repeater to a crystal
glass fiber cord or cable (GI-50/125, 850 nm, 2.5 to 3 dB) equipped with a single-core
optical connector (FC type).
• If the Repeater is located at the end of the transmission line, short-circuit pins 4 and 5 of
the CN1 to connect the internal 75 terminating resistance.
1
4
5
8
75
SRD+ SRD-
215IF in-panel cable
CP-215 Repeater-TS2
Terminator
CN1
MR-8LM
(G)
CN3: BRX
FC connector
CN4: BTX
GI-50/125, 850 nm

Table of Contents

Related product manuals