EasyManua.ls Logo

YASKAWA VS-656MR5 - Page 44

YASKAWA VS-656MR5
305 pages
Print Icon
To Next Page IconTo Next Page
To Next Page IconTo Next Page
To Previous Page IconTo Previous Page
To Previous Page IconTo Previous Page
Loading...
Wiring
3-4
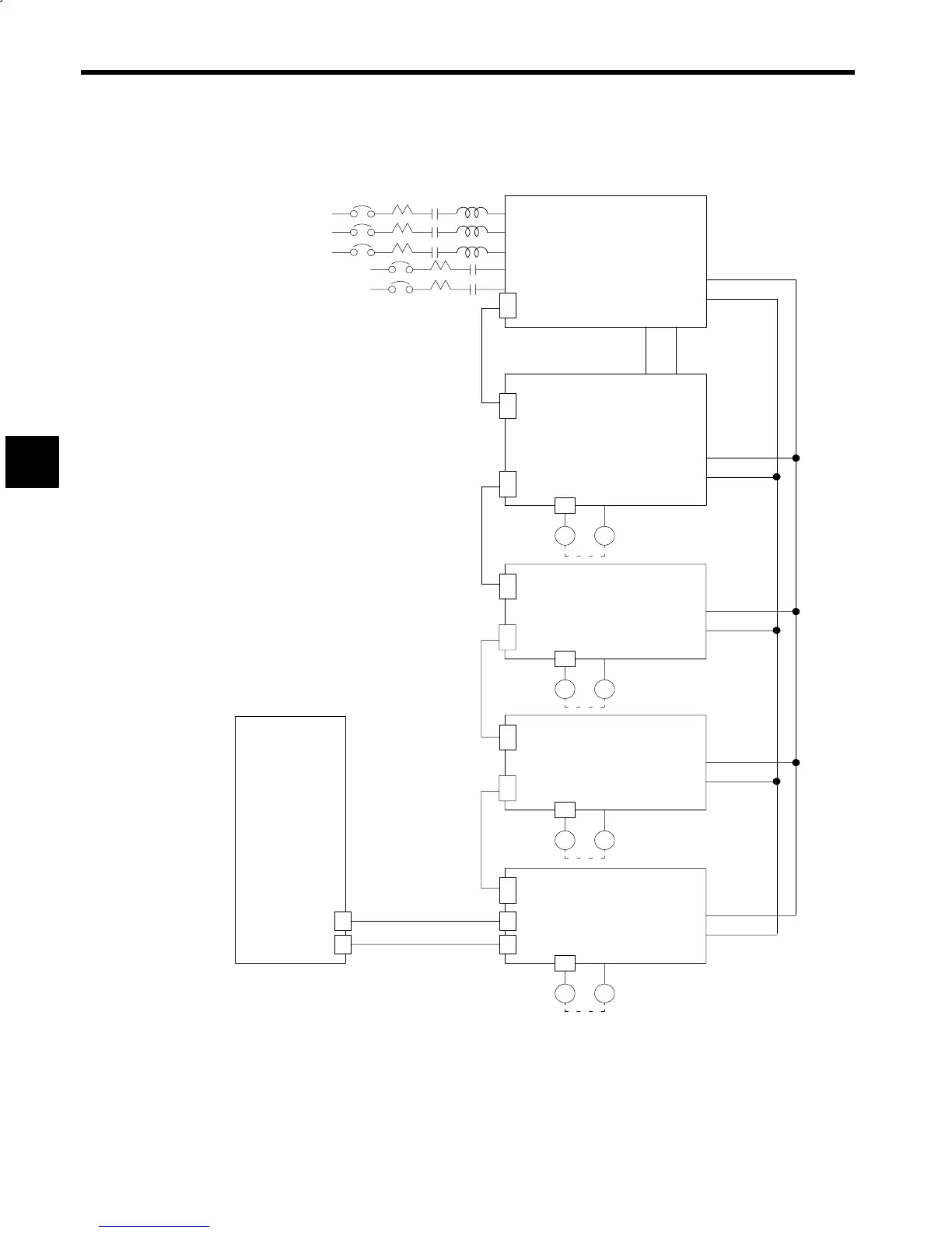
The following figure shows the system configuration of the Inverter compatible with YENET1200 commu-
nications. For details on the connections of an NC machine and servo units, refer to the manual for the NC ma-
chine.
R
S
T
r
t
VS-656MR5
Converter Unit
5CN
P
N
N1
P1
VS-626M5
52CN
P
N
51CN
N1
P1
2CN
PG M
52CN
P
N
51CN
2CN
PG
M
52CN
P
N
51CN
2CN
PG
M
4CN
P
N
51CN
2CN
PG
M
1CN
Inverter Unit
Servo Unit
Servo Unit
Servo Unit
NC Machine
Fig 3.2 Connection Diagram for Inverter Compatible with YNET1200 Communications
3

Table of Contents

Related product manuals