EasyManua.ls Logo

ZiLOG Z8 - Port 3 Functionality and Modes

ZiLOG Z8
220 pages
Print Icon
To Next Page IconTo Next Page
To Next Page IconTo Next Page
To Previous Page IconTo Previous Page
To Previous Page IconTo Previous Page
Loading...
Z8 Microcontrollers
ZiLOG I/O Ports
UM001601-0803 5-13
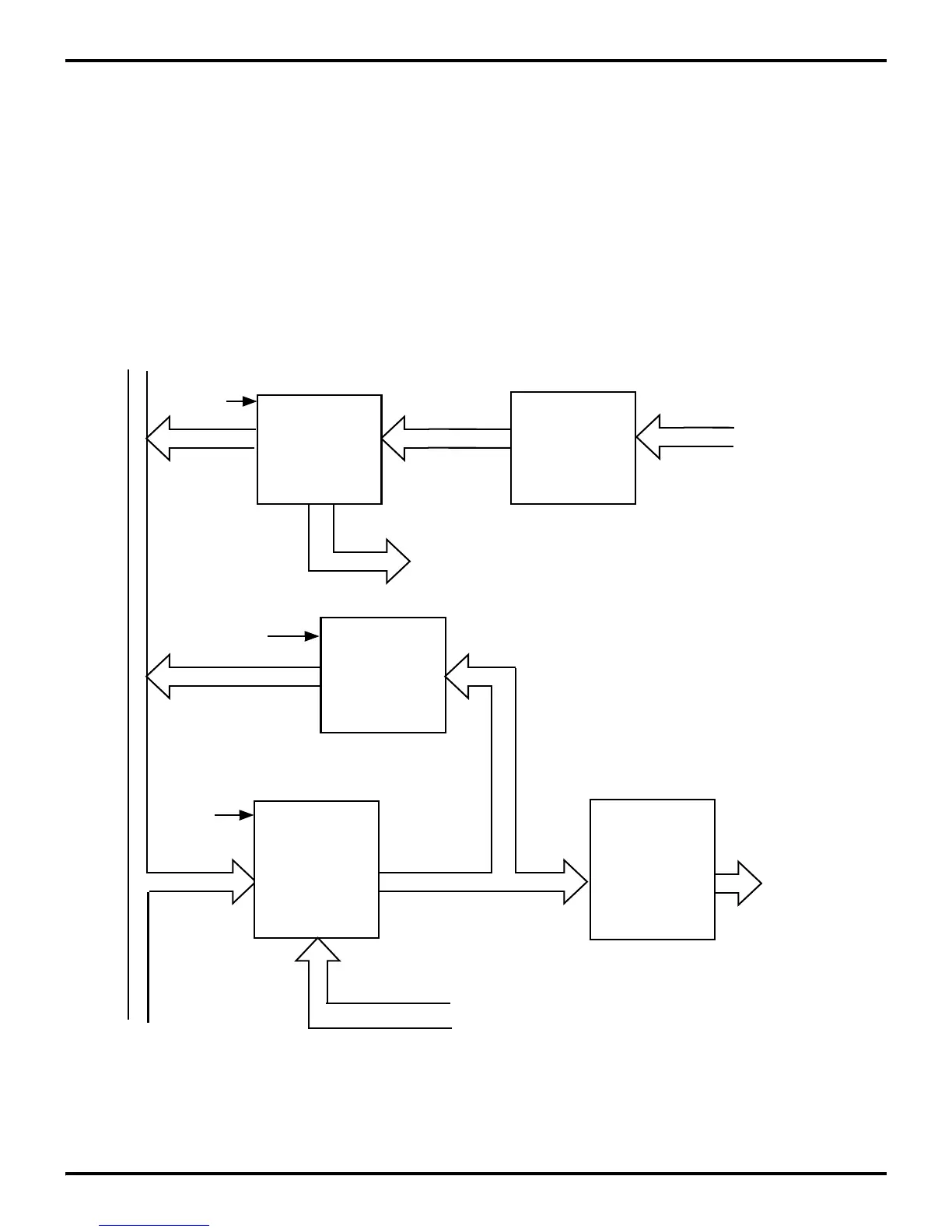
5.5 PORT 3
5.5.1 General Port I/O
Port 3 differs structurally from Port 0, 1, and 2. Port 3 lines are
fixed as four inputs (P33–P30) and four outputs (P37–P34) Port
3 does not have an input and output register for each bit. Instead,
all the input lines have one input register, and all the output lines
have an output register. Port 3 can be a CMOS- or TTL- compat
-
ible I/O port. Under software control, the lines can be configured
as special control lines for handshake, comparator inputs, SPI
control, external memory status, or I/O lines for the on-board se
-
rial and timer facilities. Figure 5-17 is a generic block diagram
of Port 3.
The inputs can be Schmitt-triggered, level-shifted, or single-trip
point buffered. In some cases, the Z8 may have auto latches
hardwired on certain Port 3 inputs and Low-EMI capabilities on
the outputs. Please refer to specific product specifications for ex
-
act input/output buffer type features. Please refer to the section
on counter/timers, Stop-Mode Recovery, serial I/O, compara
-
tors, and interrupts for more information on the relationships of
Port 3 to that feature.
Figure 5-17. Port 3 Block Diagram
Input
Buffer
Input
Register
Output
Buffer
Output
Register
Output
Register
Write
Port
Read
Port
4
4
4
4
4
4
4
4
Internal
Bus
From Timer,
Handshake Logic,
or Serial I/O
To Interrupt Timer,
Handshake Logic,
or Serial I/O
Port
Output
Lines
P3
4
- P3
7
Port
Input
Lines
P3
0
- P3
3
Read
Port
Input
Buffer
Output
Buffer
Output
Register
Output
Buffer
Data
Return

Table of Contents

Other manuals for ZiLOG Z8

Related product manuals