EasyManua.ls Logo

Zonge GDP-32 - Page 334

Default Icon
419 pages
Print Icon
To Next Page IconTo Next Page
To Next Page IconTo Next Page
To Previous Page IconTo Previous Page
To Previous Page IconTo Previous Page
Loading...
GDP-32
II
DESIGN
Section 16, Page 11 May 2002
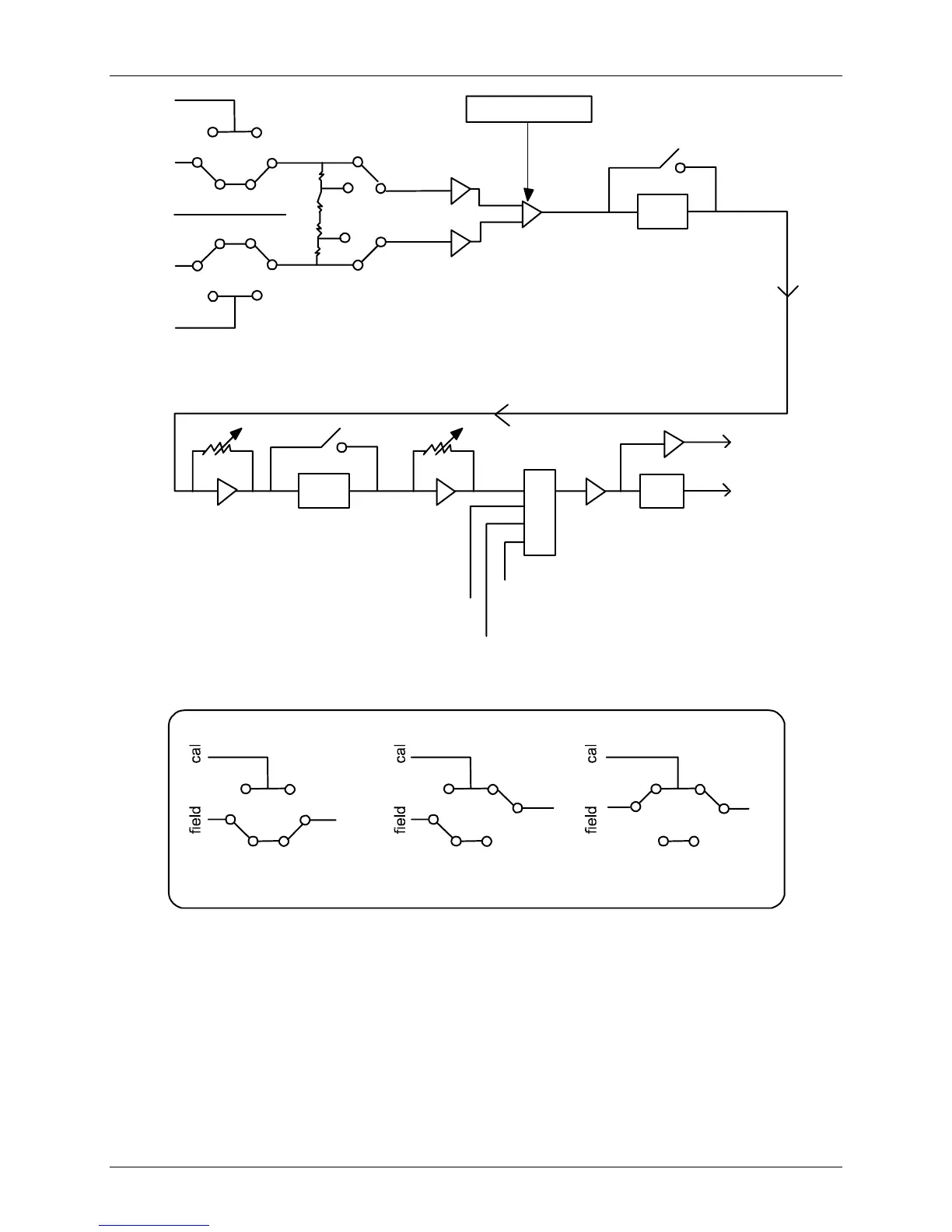
Figure 16.5 (a) - Block Diagram of an Analog Board
OHM CAL OHM CAL
OHM CAL
OHM CAL
OHM CAL
Measures field signal Measures calibrate signal Measures Field
electrode resistance
a) b) c)
v
const. 1
OFFSET D/A
Powerline
Notch
Filter
Differential
Amplifier
Attenuator
Function
Select
(see inset below)
Cal +
Cal -
Field +
Field -
Guard
GI
Gain
1 to 128
G2
Gain
1 to 128
Anti-Alias
Filter
1 Hz to 25 KHz
Ref
GND
Batt
Multiplexer
Buffer
A/D
Converter
To Front Panel
To STD Bus
GO Gain
1, 4, 16
x1
x.125
x.125
x1
FUNCTION SELECT OPTION

Table of Contents

Other manuals for Zonge GDP-32

Related product manuals