EasyManua.ls Logo

Abbott Diagnostics Aeroset - ICT FLUID DELIVERY

Default Icon
456 pages
Print Icon
To Next Page IconTo Next Page
To Next Page IconTo Next Page
To Previous Page IconTo Previous Page
To Previous Page IconTo Previous Page
Loading...
ICT™ Fluid Delivery
AEROSET
®
Customer Training Guide 9-5
94858-103 — July 2003
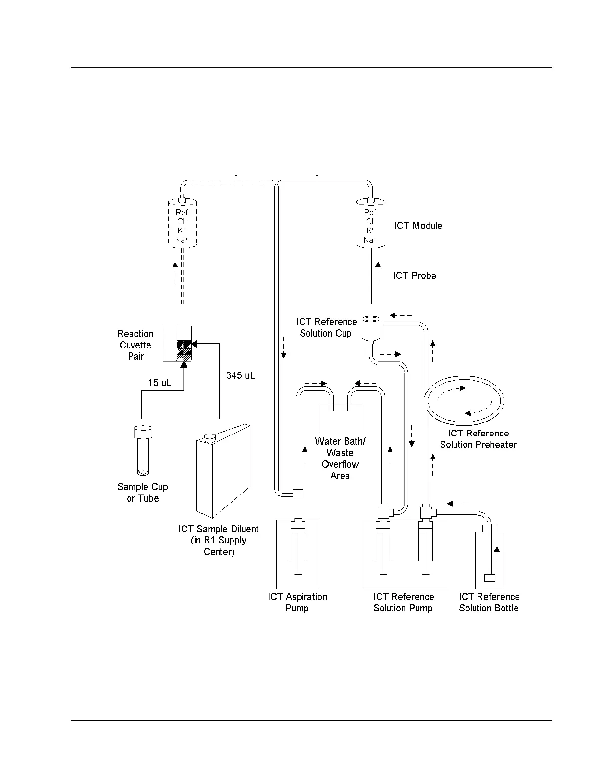
ICT™ FLUID DELIVERY
The following flow diagram describes the flow of the ICT sample and
solutions, which is important to understand for troubleshooting and
maintenance.
Figure 9.1: Flow Diagram of ICT Fluid Delivery
Use ICT Module demo.
Reference Solution (Bulk—
behind right-front door).

Table of Contents