EasyManua.ls Logo

ARAG DELTA 80 - 5 Position on Farming Machine

ARAG DELTA 80
126 pages
Print Icon
To Next Page IconTo Next Page
To Next Page IconTo Next Page
To Previous Page IconTo Previous Page
To Previous Page IconTo Previous Page
Loading...
6
CONTINUES > > >
5 POSITION ON FARMING MACHINE
INSTALLATION
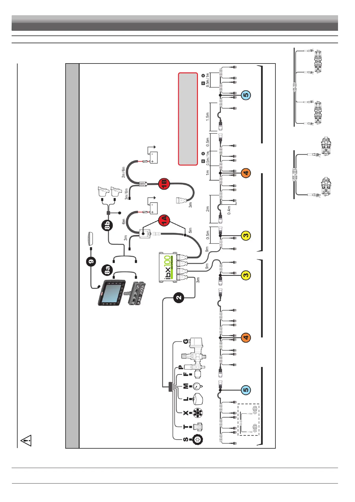
5.1 System recommended composition
Connect the power cable directly to the battery using the suitable eyelets.
WARNING! DO NOT connect to key-operated switch (15/54).
To connect all parts of the system correctly, make sure to use the proper connection cables specied in Tab. 1 on page 8.
Consider all possible variants:
• type of system,
• type of Seletron units connected (single, twin or fourfold)
• number of nozzles per mechanical arm (of spraying boom)
LINE 2LINE 1
SELETRON SYSTEM WITHOUT HYDRAULIC CONTROLS
Legend of connection cables:
1A Computer / ECU / battery for TOWED MACHINE
1B Computer / ECU / battery for SELF-PROPELLED MACHINE
2 Sensors / control unit
3 Head-end cable
4 Extension cable
5 Termination cable
7 Hydraulic unit
8a Computer / switch panel
8b Computer / switch panel / cameras / general external control
9 GPS receiver
S Speed sensor
T Filling owmeter
X RPM sensor
L Level sensor
M Pressure sensor
F Flowmeter
P Control valve
G Main valve
Fi g. 2
Ta b. 1
The cables for single and twin
SELETRON feature 2 outputs per joint.
The cables for fourfold SELETRON
feature 4 outputs per joint.
CODE 46749000
LEGEND
Cable leadin center distance: 0.5 m
Cable leadin center distance: 0.5 m

Table of Contents

Other manuals for ARAG DELTA 80

Related product manuals