EasyManua.ls Logo

Bartec MAK TIGER 3003 - Assembly;Installation

Bartec MAK TIGER 3003
216 pages
Print Icon
To Next Page IconTo Next Page
To Next Page IconTo Next Page
To Previous Page IconTo Previous Page
To Previous Page IconTo Previous Page
Loading...
Flow Meter MID type 6823-x
103
Measuring System MAK TIGER 3003 Service manual, SA 131128, 10.03.2020
16.3 Assembly/installation
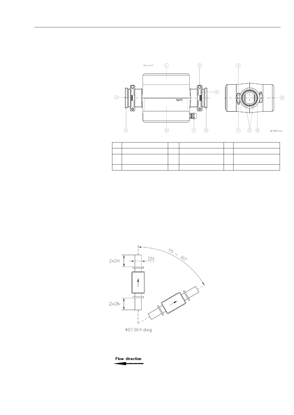
1
cover
5
flat gasket
9
electrodes
2
fastening clamp
6
type plate
3
cable feed
7
hexagon head
screw
4
connection
8
sealing ring
The flowmeter can be mounted in the flow direction rising 15 ° to 90 °. The
position of the EMF must be chosen so that it is always filled with liquid, in-
stalled after the air separator and at the point with the maximum pressure in
the pipeline.
It is strictly mandatory to provide a straight flow-calming section upstream and
downstream of the MID of L 2 x nominal diameter D.
Installation
The positive direction of flow is indicated by an arrow on the type plate (6).

Table of Contents

Other manuals for Bartec MAK TIGER 3003

Related product manuals