EasyManua.ls Logo

Bartec MAK TIGER 3003 - Dimensons

Bartec MAK TIGER 3003
216 pages
Print Icon
To Next Page IconTo Next Page
To Next Page IconTo Next Page
To Previous Page IconTo Previous Page
To Previous Page IconTo Previous Page
Loading...
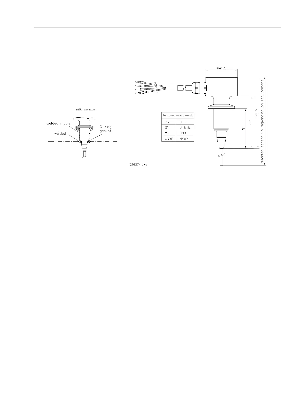
Milk sensor, series B type 6703-15
89
Measuring System MAK TIGER 3003 Service manual, SA 131128, 10.03.2020
10.2 Dimensons

Table of Contents

Other manuals for Bartec MAK TIGER 3003

Related product manuals