EasyManua.ls Logo

Bartec MAK TIGER 3003 - Wiring;Terminal Assignment

Bartec MAK TIGER 3003
216 pages
Print Icon
To Next Page IconTo Next Page
To Next Page IconTo Next Page
To Previous Page IconTo Previous Page
To Previous Page IconTo Previous Page
Loading...
ULTRASAMPLER® sample collection system
172
Measuring System MAK TIGER 3003 Service manual, SA 131128, 10.03.2020
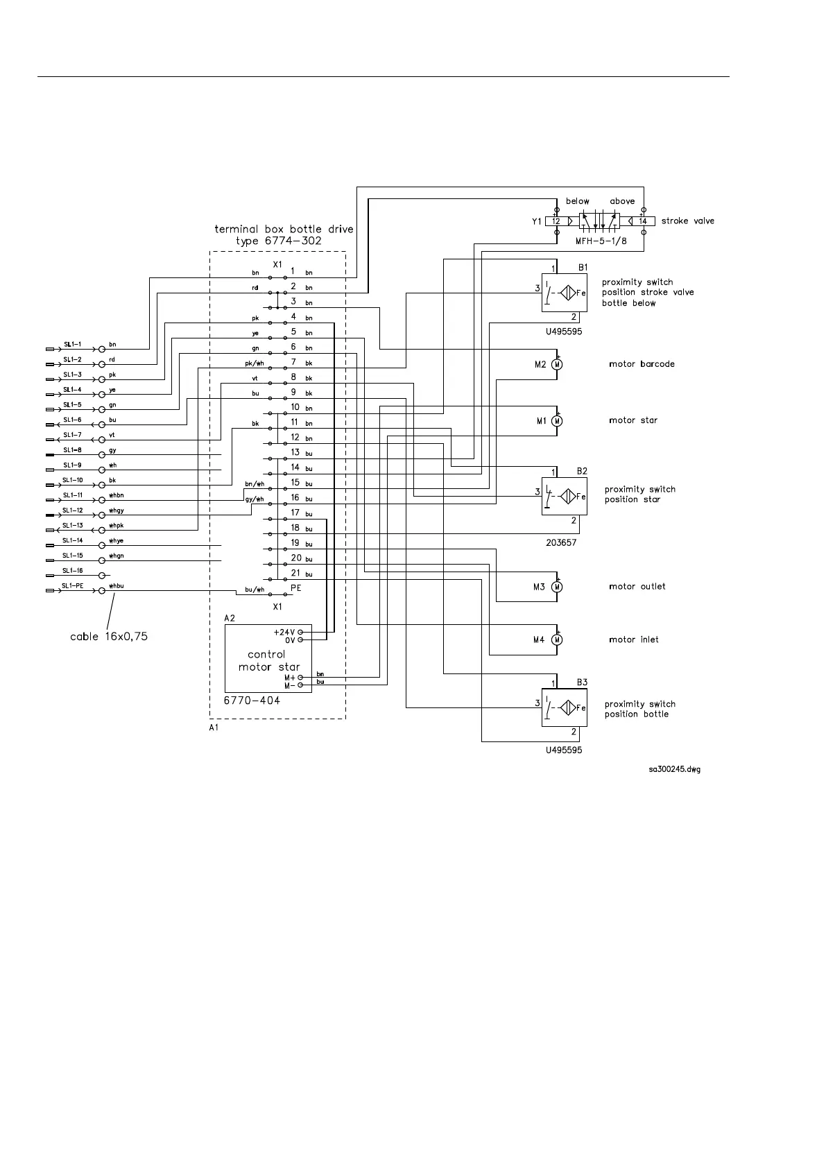
26.5.4 Wiring/terminal assignment
Wiring internally

Table of Contents

Other manuals for Bartec MAK TIGER 3003

Related product manuals