EasyManua.ls Logo

Bartec MAK TIGER 3003 - Dimensions

Bartec MAK TIGER 3003
216 pages
Print Icon
To Next Page IconTo Next Page
To Next Page IconTo Next Page
To Previous Page IconTo Previous Page
To Previous Page IconTo Previous Page
Loading...
Measuring system MAK TIGER 3003
39
Measuring System MAK TIGER 3003 Service manual, SA 131128, 10.03.2020
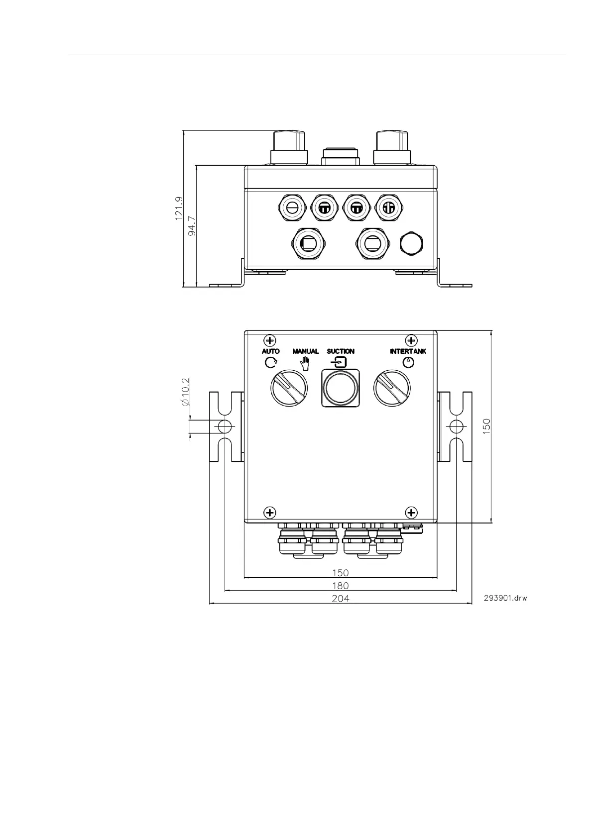
5.15.2 Dimensions

Table of Contents

Other manuals for Bartec MAK TIGER 3003

Related product manuals