Home
Bartec
Measuring Instruments
MAK TIGER 3003
Service Manual
Page 35 (Measurement System, Basic Set, Side View)
Bartec MAK TIGER 3003 - Measurement System, Basic Set, Side View; Measurement System, Basic Set, Top View
216 pages
Manual
Save Page as PDF
To Next Page
To Next Page
To Previous Page
To Previous Page
Loading...
Measuring system MA
K TIGER 30
03
27
Measuring S
ystem MAK TIGER 30
03 Service m
anual
,
SA 131128
,
10.03.2020
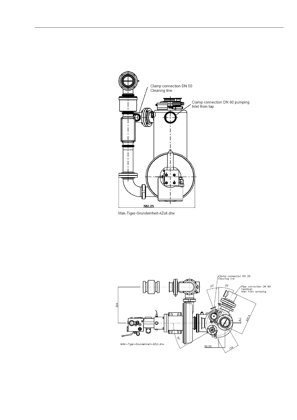
5.6.2
Measurement system, basic set, side
v
iew
5.6.3
Measurement system, basic set, top
v
iew
(Optional DN 100)
Optional DN 100
34
36
Table of Contents
Main Page
Default Chapter
3
Table of Contents
3
1 About this Manual
9
2 Safety Precautions
10
General Safety Instructions
10
Installation Instructions
11
Wiring Instructions
11
Servicing and Repair Instructions
11
Maintenance Schedule
12
3 Block Diagram Measuring System MAK TIGER 3003
14
4 Compact Controller TIGER Type 6942-10 Serie C
15
Technical Data
15
Dimensions Compact Controller
17
Blade-Type Fuses and LED Displays on TIGER 3003 (on Motherboard)
18
Motherboard Without CAN-Bus
18
Motherboard with CAN-Bus
19
Compact Flash Card
20
Exchanging the Motherboard/Cpu Board
21
Compact Controller Wiring
22
Power Supply
23
Inputs
23
Outputs
23
CAN Bus Termination (Terminal Resistor) (Series C)
24
Serial Interfaces
24
Motherboard Without CAN-Bus
24
Motherboard with CAN-Bus
25
5 Measuring System MAK TIGER 3003
26
Introduction
26
Piping
27
System Requirements
28
Technical Data
29
Piping Diagram
30
Structure of the Measurement System
33
Measurement System Basic Set Front View
34
Measurement System, Basic Set, Side View
35
Measurement System, Basic Set, Top View
35
Ejector Unit
36
Pneumatic Plan
37
Information on the Pneumatic System
38
Valve Terminal
39
Technical Data
39
Filter Regulator
40
Technical Data
40
Service Unit Including Heavy-Duty Filter
41
Technical Data
41
Ejector
42
Technical Data
42
Kinetrol (Small)
43
Technical Data
43
Kinetrol (Medium)
44
Technical Data
44
Kinetrol (Large)
45
Technical Data
45
Emergency Operation Unit Type 6980-101
46
Technical Data
46
Dimensions
47
Suggested Design of Vacuum Container
48
Suggested Dimensions of Vacuum Container
49
Dimensions of Measurement System with Suggested Design
50
Overview of the Hydraulic
51
Connection of Hydraulic System to Control Block
52
Mounting of Rotation Sensor to Rotary Pump
53
List of Spare Parts
54
Electrical Installation
55
Overview Diagram
55
Terminal Connections of Bottle Drive
56
Terminal Connections of Bottle Drive Mini
56
Terminal Connections of Bottle Drive ABO
57
Terminal Connections of Bottle Drive Schwarte Monotrans
57
Wiring of Emergency Operation Unit
58
6 Measuring System MAK E-TIGER 3003
59
Introduction
59
Pipework
60
System Requirement
61
Measuring System
62
Pipework Diagram
62
Dimensions of Measuring System with Large Sample Compartment
63
Pneumatic Diagram
65
Electrical Installation
66
Overview Plan
66
Overview of Control Cabinet
67
Connection Diagram for Control Cabinet
69
Terminal Assignments for Compact Controller
73
Terminal Assignments for Ultrasampler Controller
74
Technical Data
76
Three-Dimensional Illustration
77
Components
78
6.13.1 Control Cabinet
78
6.13.1.1 Frequency Converter
78
3-Phase Switching Power Supply, DC 24 V 40 a
79
Phase Monitoring Relay
80
Control Cabinet Temperature Controller
82
Control Cabinet Thermostat
82
Filter Fan Control Cabinet
83
Control Cabinet Heater S. No. 395023
84
Network Connection
85
Transfer Module RJ45
85
Large Sample Compartment with Cooler
87
Electronic Push Switch with Display
89
7 Temperature Probe with Milk Sensor Series B Type 6703-11
90
Technical Data
90
Dimensions
90
Assembly/Installation
91
8 Milk Sensor, Series a Type 6703-17
92
Technical Data
92
Dimensions
92
Assembly/Installation
93
9 Milk Sensor, Series B Type 6703-16
94
Technical Data
94
Dimensions
94
Assembly/Installation
95
10 Milk Sensor, Series B Type 6703-15
96
Technical Data
96
Dimensons
97
Assembly/ Installation
98
11 Pressure Sensor G ½“
99
Pressure Sensor G ½
99
Technical Data
99
12 Bubble Sensor 3", Series a Type 6900-17
100
Technical Data
100
Dimensions
101
13 Bubble Sensor 4“, Series a Type 6900-19
102
Bubble Sensor 4", Series a Type 6900-19
102
Technical Data
102
Dimensions
103
14 Level Sensor Type 6900-111
104
Technical Data
104
15 Level Sensor Without Float Type 6900-113
105
Technical Data
105
16 Flow Meter MID Type 6823-X
107
Technical Data
107
Dimensions
110
Assembly/Installation
111
Wiring
114
Maintenance and Servicing
114
17 V2000 Modul, Type 6757-14 Ser. a
115
Technical Data
116
Connection Scheme
117
17.3 Pipeline Scheme
120
18 TAG-Reader 13,56 Mhz, Type 6910-15
121
Technical Data
121
Dimensions and Connection
122
19 Barcode Reading Unit Type 6723-10
123
Technical Data
123
Dimensions
124
Installation
124
Wiring
125
20 Barcode Reader Type 6727-40 Series a
127
Technical Data
127
Dimensions/Installation
128
21 O-Box Type 6753-XX
129
Technical Data
129
22 Thermal Printer Type 6761-11
135
Technical Data
135
Printer Operation
138
Fitting the Paper Roll Holder
138
Troubleshooting
139
23 Printer Type 6881-30
143
Technical Data
143
Dimensions
144
Printer Mount Type 6961-100
145
Printer Mount Connection
145
24 GPS-Receiver (RS 232) Type 6722-18
147
Technical Data
147
Wiring of GPS Receiver 6722-18
148
Connection
148
Fitting
148
25 GPRS Modem with Magnetic Antenna
149
GPRS Module, Type 6942-100
149
Technical Data
149
Connections
149
Magnetic Antenna
150
GPRS Data Modem Type Telit GT864-Quad (Optional)
151
Technical Data
151
Terminal Assignment for 2. GPRS Data Modem
151
Connection Cable for 2. GPRS Data Modem Telit GT864-Quad Type 4386-306
152
Dimensions and Mounting
153
SIM Card Specifications for the 3003 System
154
26 ULTRASAMPLER® Sample Collection System
155
Description
155
Position of the ULTRASAMPLER
156
Mode of Operation of the ULTRASAMPLER
157
Additional Information about the ULTRASAMPLER
159
ULTRASAMPLER®-Controller Type 6771-31
161
Technical Data
161
Dimensions
162
Block Diagram
163
Terminal Connection Plan
165
Wiring
167
Flow Level Meter Type 6826-X
168
Technical Data
168
Dimensions/Installation
171
Wiring
173
Electrical Terminal Assignment
173
Sampling Cabinet Monitoring Sensor Pt 100 (Optional)
174
Technical Data
174
Bottle Drive, Type 6774-10
175
Technical Data
175
Dimensions/Mounting
176
Installation
179
Wiring/Terminal Assignment
180
Bottle Drive Mini (Max. 16 Bottles) Type 6774-12
182
Technical Data
182
Dimensions and Assembly
183
Manual Lifting Device for Sample Bottle Type 6871-3-30 / Type 6871-4-30
184
Technical Data
185
Wiring
185
Semi Automatic Lifting Device for Sample Bottle Type 6871-3-50
188
Technical Data
188
Wiring
189
Installation
191
Fitting the Refrigerated Sample Collection Box
191
Installation of the ULTRASAMPLER Units
193
Maintenance
199
Cleaning the Inside and Outside of the ULTRASAMPLER
199
Changing the Pump Hose
200
Injektionsnadel Montieren
202
27 Start of Operation
203
Process and Instructions
203
Attribution of PNET Address System 3003 and 3002
204
Setting/Adjustment Instructions
205
Correct Installation
205
Initial Operation
205
28 MAK TIGER 3003 Measuring System Seal Diagram
213
Seal Diagram for Compact Controller, Type 6942-10 until Series B
213
Seal Diagram for Compact Controller, Type 6942-10 from Series C
214
Seal Diagram for MID, Type 6823-X
215
Other manuals for Bartec MAK TIGER 3003
Operating Instructions
87 pages
Related product manuals
Bartec Syscom MR3000C
81 pages
Bartec Syscom MR3000 Series
81 pages
Bartec TECH400
15 pages
HYGROPHIL H 4230-10 A Series
122 pages
Bartec SYSCOM ROCK
34 pages
RLAnet 17-85G5-2123 Series
36 pages