EasyManua.ls Logo

Bartec MAK TIGER 3003 - Page 192

Bartec MAK TIGER 3003
216 pages
Print Icon
To Next Page IconTo Next Page
To Next Page IconTo Next Page
To Previous Page IconTo Previous Page
To Previous Page IconTo Previous Page
Loading...
ULTRASAMPLER® sample collection system
184
Measuring System MAK TIGER 3003 Service manual, SA 131128, 10.03.2020
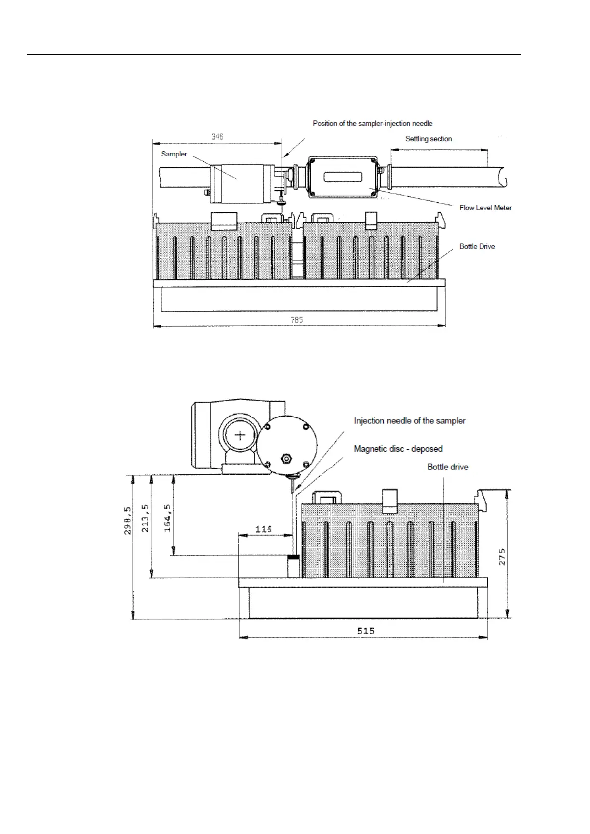
Fig. 2
Fig. 3
Fig. 2 and Fig. 3 show the dimensions for the sampler and bottle drive lay-
out.

Table of Contents

Other manuals for Bartec MAK TIGER 3003

Related product manuals