EasyManua.ls Logo

Dodge Neon 2001 - Page 640

Dodge Neon 2001
743 pages
Print Icon
To Next Page IconTo Next Page
To Next Page IconTo Next Page
To Previous Page IconTo Previous Page
To Previous Page IconTo Previous Page
Loading...
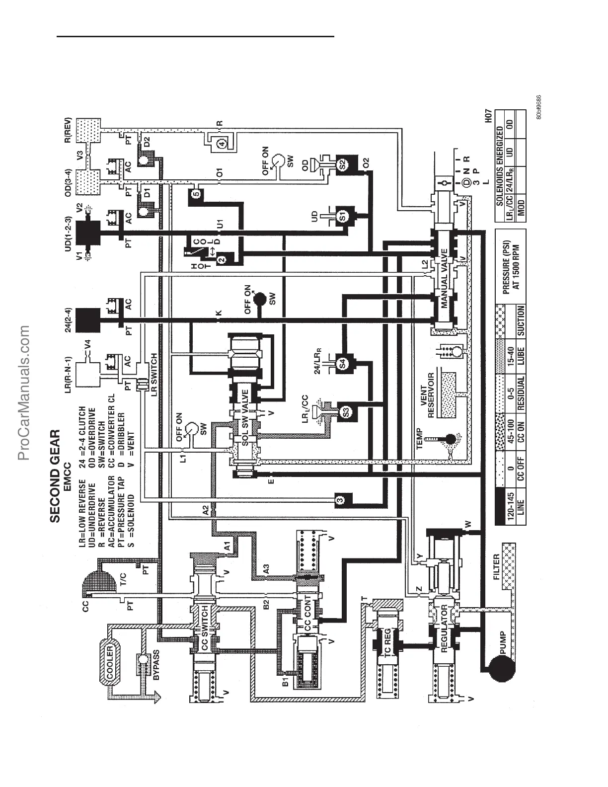
Second Gear (EMCC)
PL 41TE AUTOMATIC TRANSAXLE 21s - 125
41TE AUTOMATIC TRANSAXLE (Continued)
ProCarManuals.com
2001 NEON

Table of Contents