EasyManua.ls Logo

Epson Stylus COLOR 3000

Epson Stylus COLOR 3000
177 pages
To Next Page IconTo Next Page
To Next Page IconTo Next Page
To Previous Page IconTo Previous Page
To Previous Page IconTo Previous Page
Loading...
EPSON Stylus COLOR 3000
EPSON Stylus Color 3000 Service Manual
A-18
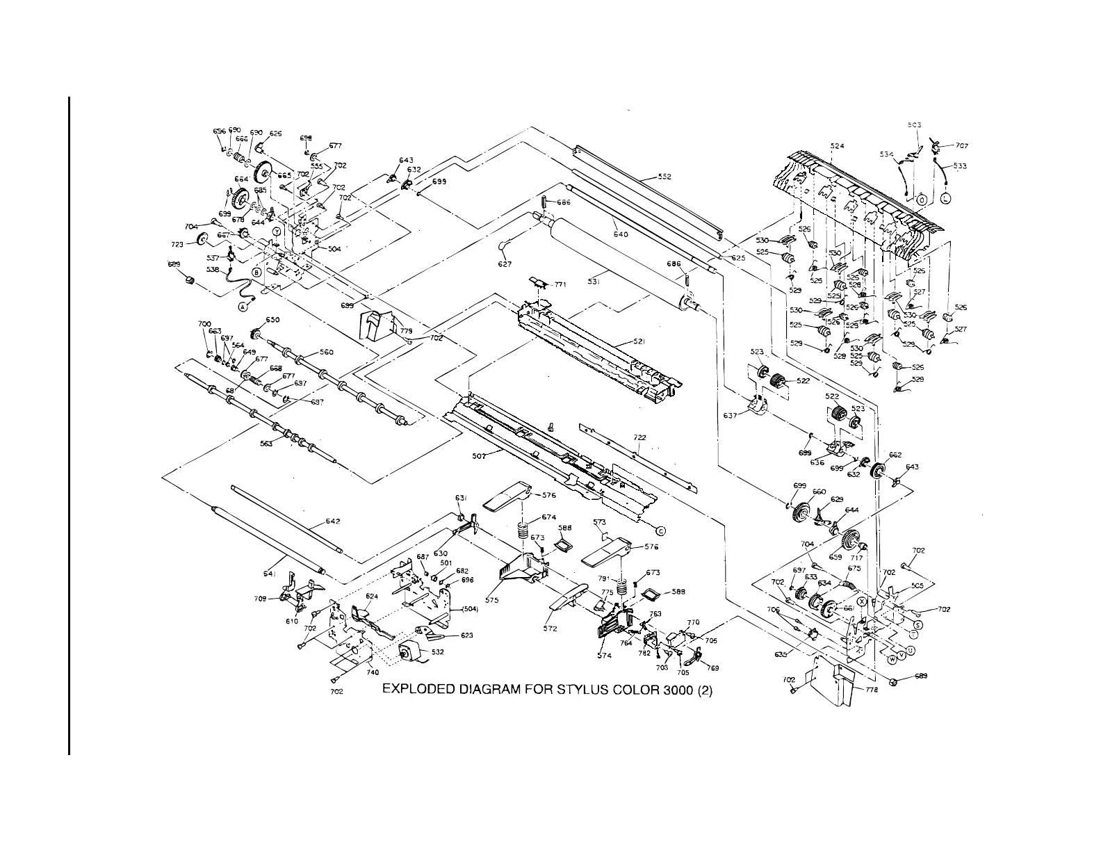
Figure A-13. Stylus COLOR 3000 Exploded Diagram (2)

Table of Contents

Other manuals for Epson Stylus COLOR 3000

Related product manuals