EasyManua.ls Logo

ESIT ECI - Four (4) Cable Load Cell Connection

ESIT ECI
299 pages
Print Icon
To Next Page IconTo Next Page
To Next Page IconTo Next Page
To Previous Page IconTo Previous Page
To Previous Page IconTo Previous Page
Loading...
ECI Multi Functional Weighing Controller Operating Manual
Page 30
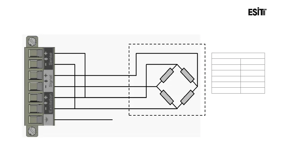
5.1.2.3 Four (4) Cable Load Cell Connection
Grounding
Out +
Out -
Supply +
Supply -
Esit Colours
Sense -
Green
Sense -
Black
Out +
White
Out -
Red
Supply +
Green
Supply -
Black
Sense-terminal is short
circuit with Supply terminal
and Sense+terminal is short
circuit with Supply + terminal

Table of Contents