EasyManua.ls Logo

EXFO FTBx-88260 - Page 89

EXFO FTBx-88260
1071 pages
Print Icon
To Next Page IconTo Next Page
To Next Page IconTo Next Page
To Previous Page IconTo Previous Page
To Previous Page IconTo Previous Page
Loading...
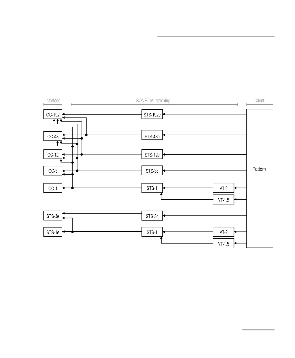
Test Setup - Test Applications
Power Blazer 73
SONET/SDH BERT
Path/Mapping
The SONET/SDH BERT test application offers the following
path/mapping structures depending on the inserted transceiver, and
enabled options.
For SONET BERT

Table of Contents

Related product manuals