EasyManua.ls Logo

Extra 300LT - Page 165

Extra 300LT
551 pages
Print Icon
To Next Page IconTo Next Page
To Next Page IconTo Next Page
To Previous Page IconTo Previous Page
To Previous Page IconTo Previous Page
Loading...
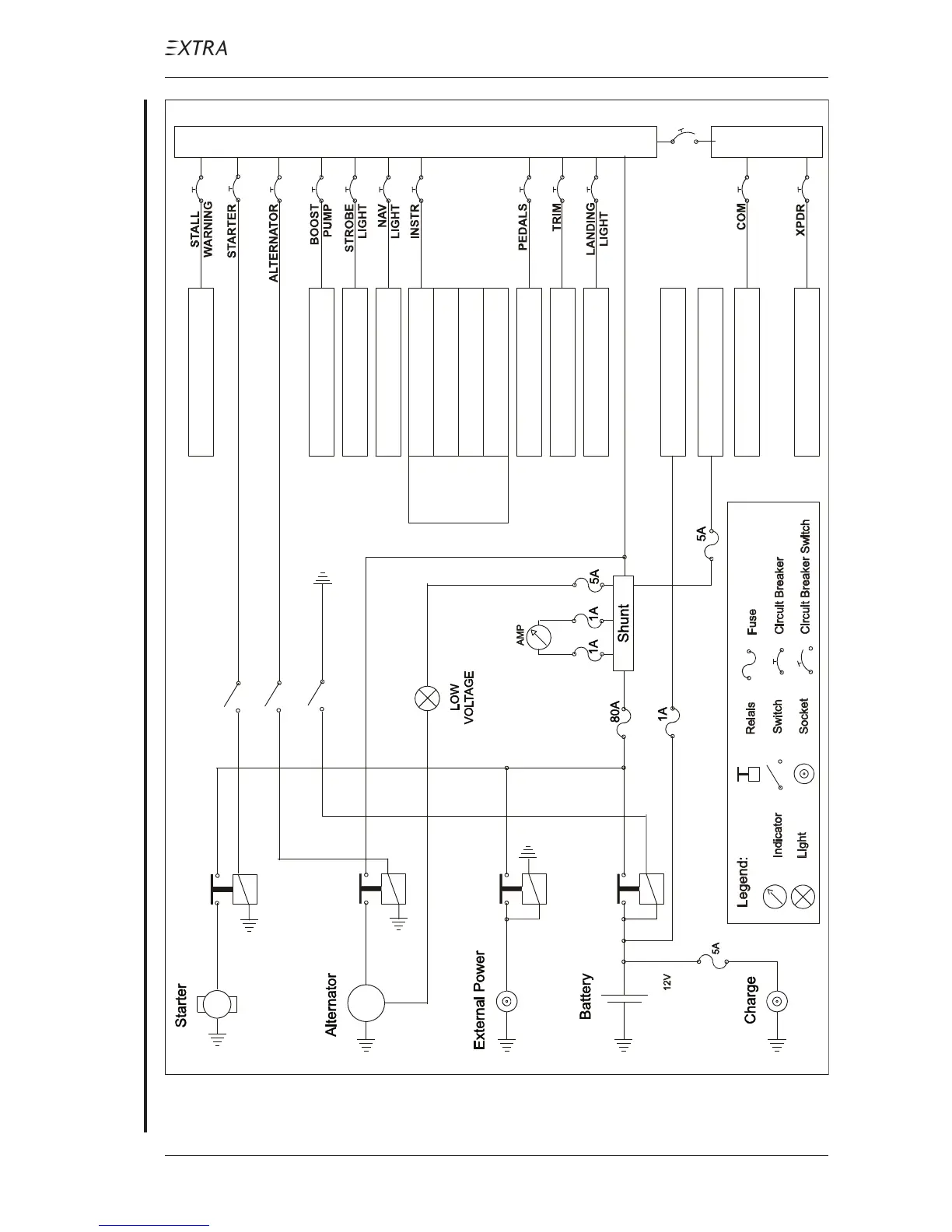
CHAPTER 24
PAGE 6
PAGE DATE: 21. March 2014
MAINTENANCE MANUAL EXTRA 300LT
Transponder
COM
AUDIO
V/A Indicator
Fuel QTTY Indicators
rpm Indicator
Oil temp/press Indicator
ELT
Boost pump
NAV light
MVP-50
(alt.)
Strobe light
Pedal adjust
Electric trim
AVIONIC
MAIN BUS
A
VIOINIC BUS
ALTERNATOR
BATTERY
S
T
A
R
T
E
R
Stall warning
Landing light
MVP-50
(alt.)
Figure 2, Sheet 2 Electrical System Schematic

Table of Contents

Other manuals for Extra 300LT

Related product manuals