EasyManua.ls Logo

Extra 300LT - Mixture Control

Extra 300LT
551 pages
Print Icon
To Next Page IconTo Next Page
To Next Page IconTo Next Page
To Previous Page IconTo Previous Page
To Previous Page IconTo Previous Page
Loading...
CHAPTER 73
PAGE 11
MAINTENANCE MANUAL EXTRA 300LT
PAGE DATE: 12. June 2015
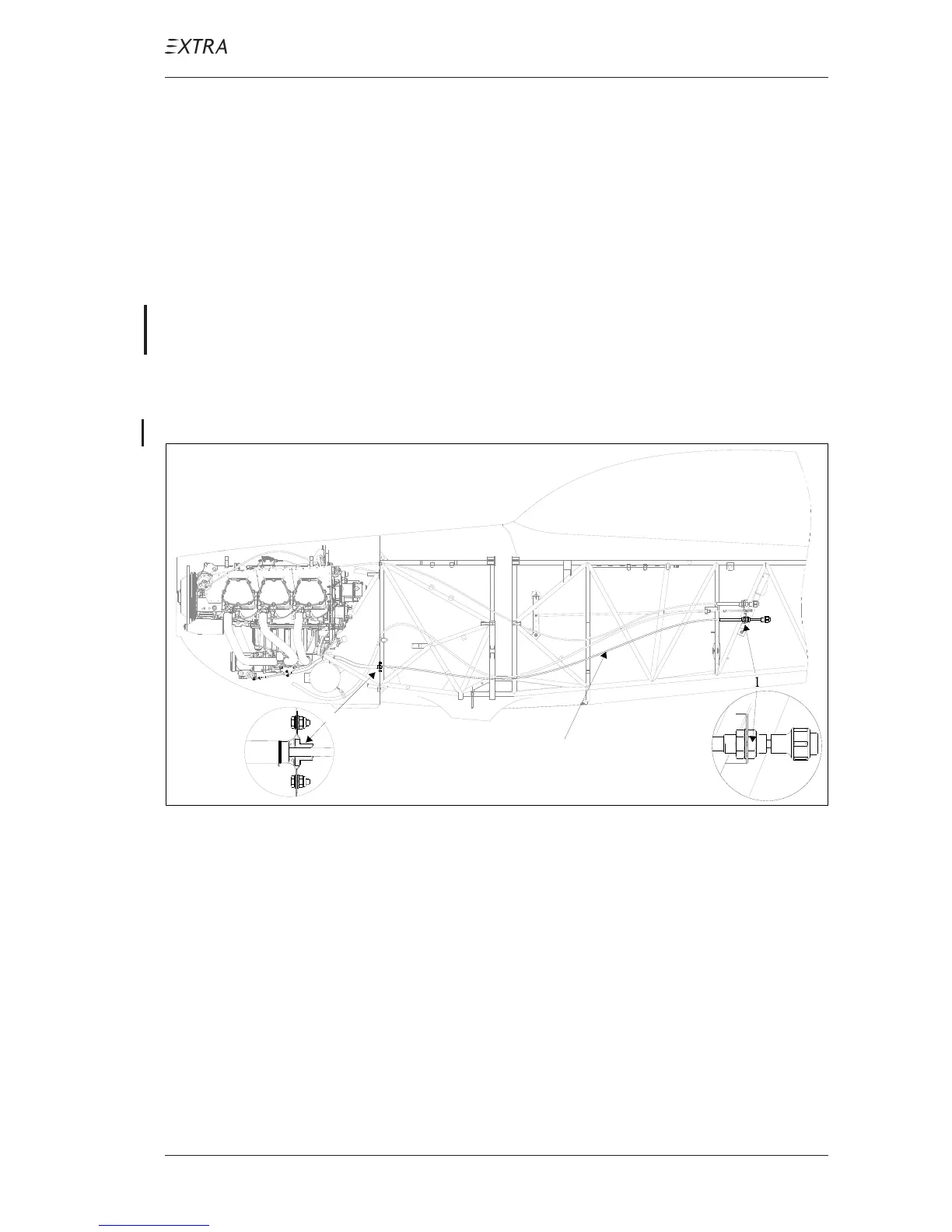
73-20-20 Mixture
Refer to Figure 5. The mixture of the fuel injector servo is
controlled by means of the vernier mixture control cable
located on the left side of the cockpit (red control knob).
This cable is routed on the left side of the fuselage, penetrates
the firewall and is then routed to the mixture control lever.
In the engine compartment this cable is covered with a
540 mm firesleeve. The cable is attached to the fuselage
using a clamp block at its front end and cable ties. The
mixture vernier control unit (1) is mounted to a fuselage
bracket. The fire wall penetration is sealed with PR-812
(Products Research & Chemical Corp., USA) firewall sealant
and covered with a clamp sheet (2).
Mixture control cable
Side View
2
Figure 5 Mixture Control

Table of Contents

Other manuals for Extra 300LT

Related product manuals