EasyManua.ls Logo

Extra 300LT - Inverted Oil System, Inverted Flight

Extra 300LT
551 pages
Print Icon
To Next Page IconTo Next Page
To Next Page IconTo Next Page
To Previous Page IconTo Previous Page
To Previous Page IconTo Previous Page
Loading...
CHAPTER 79
PAGE 5
MAINTENANCE MANUAL EXTRA 300LT
PAGE DATE: 7. July 2010
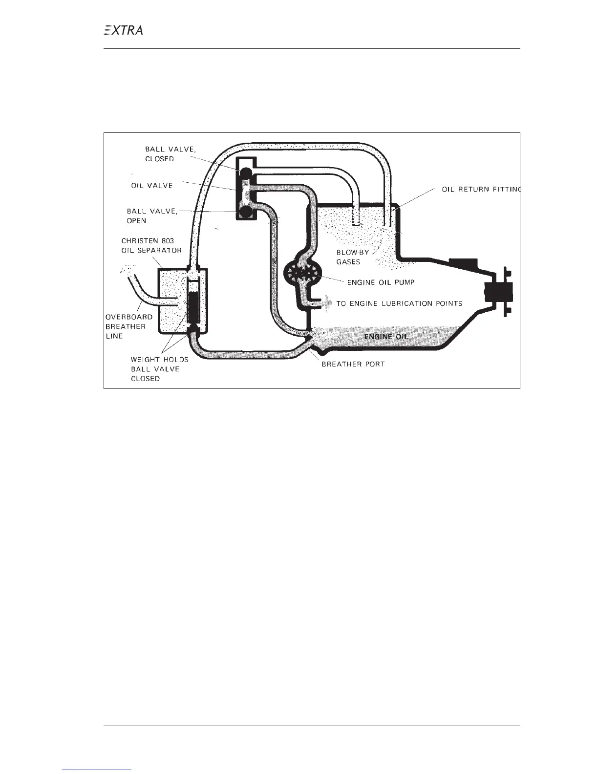
Any oil in the lines which fails to return to the sump during
the transition between normal and inverted flight drains into
the oil separator. This oil then returns to the sump from the
bottom of the oil separator during periods of normal flight.
Figure 2 Inverted Oil System, Inverted Flight
Maintenance Practices
The inverted oil system normally requires no maintenance.
During major overhauls or when repairs require sump
removal, inspect sump for excessive deposits of sludge,
varnish, or foreign material. If sump is dirty, remove and
thoroughly clean all hoses and components; then use com-
pressed air blast for drying and cleanout before reassembly.
Cleaning
The inverted oil system must be flushed with a suitable
petroleum solvent, such as varsol, every 300 (three hundred)
hours of engine operation or when there is evidence of the
loss of oil through the breather line after normal flight.
Principles of Operation
INVERTED OIL SYSTEM

Table of Contents

Other manuals for Extra 300LT

Related product manuals