EasyManua.ls Logo

Extra 300LT - Electrical System Schematic

Extra 300LT
551 pages
Print Icon
To Next Page IconTo Next Page
To Next Page IconTo Next Page
To Previous Page IconTo Previous Page
To Previous Page IconTo Previous Page
Loading...
CHAPTER 24
PAGE 5
PAGE DATE: 21. March 2014
MAINTENANCE MANUAL EXTRA 300LT
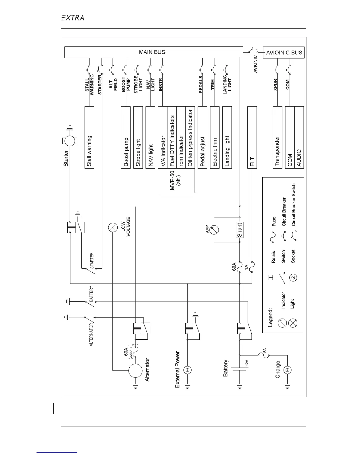
Figure 2, Sheet 1 Electrical System Schematic

Table of Contents

Other manuals for Extra 300LT

Related product manuals