EasyManua.ls Logo

Extra 300LT - Page 490

Extra 300LT
551 pages
Print Icon
To Next Page IconTo Next Page
To Next Page IconTo Next Page
To Previous Page IconTo Previous Page
To Previous Page IconTo Previous Page
Loading...
1
1
2
2
3
3
4
4
D D
C C
B B
A A
Die Gültigkeitszuordnung
von Version zu
dem jeweiligen Fertigungsauftrag
zu entnehmen.
Zuordnung links / rechts wird mit
*/* in allen Feldern angegeben.
04
03
02
01
Ver. Bezeichnung
Nr.: Änderung/Mod. Nr.: Datum Name
Letzte Bearbeitung:
Datum Name
Bearb.:
Gepr.:
Maßstab
SI.-Klasse
Oberflächenschutz
Projektion
Freimaßtoleranz
Oberfläche
Schutzvermerk nach DIN 34 beachten.
EDV-Kennung:
auf
Blatt von
Schwarze Heide 21
46569 Hünxe, Germany
Gepr.:
Flugzeugbaureihe
ist der Bauakte bzw.
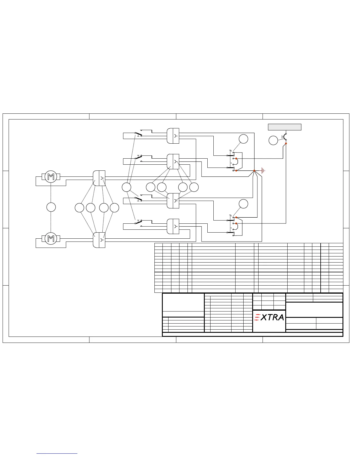
MAIN-BUS
CB1
PEDALS
7,5A
M1
red
black
M2
red
black
END-SWITCHES
PEDAL-ADJUST
LEFT
RIGHT
GND Modul
1
2
1
2
black
black
gray
gray
2
1
3
PEDAL RIGHT
Nut unten
vor
rück
S1:1
5
4
6
P5
1
2
3
2
3
S6
rear
2
3
front
S5
EA 300/LC
PEDAL ADJUSTMENT SYSTEM
EA-9E102.14
21.02.11
HW
1A4 1
0204 03 BenennungNr01 Teilekennzeichen ZF Werkstoff Abmessungen Menge GewichtEinheit MaWi-Nr.
1
2
3
4
PEDALMOTOR
FLACHSTECKER PIN 6,3mm
PIN GEHÄUSE 2 POLIG
CARR 20X20X1
00099
00103
00097
01996
180924-0
180923-0
1
3
4
5
7 9
11
12
5
6
7
8
BUCHSEN GEUSE 2 POLIG
FLACHSTECKER BUCHSE 6,3mm
MICROSCHALTER Burgess
PIN
0042282-2
FE4306
FE4308
33626
00093
1-0480305-0
163558-2
PIN GEHÄUSE 3 POLIG
07.2.1.22
2
8 106
V4NCSK2A7-0,5M
42565-2
12
7277-2-7,5
31506CIRCUIT BREAKER 7,5A
2
1
2
4
2
2
4
4
4
12
11
SCHALTER 2 POLIG TAST-ON-TAST
EA3E0920
P2 J2
P1 J1
J5
#20
#20
#20
#20
#20
#20
#20
#20
#20
#20
#20
#20
#20
P6
1
2
3
#20
#20
#20
black
black
gray
gray
2
1
3
PEDAL LEFT
Nut unten
vor
rück
S2:1
5
4
6
P3
1
2
3
2
3
S4
rear
2
3
S3
front
J3
#20
#20
#20
#20
#20
P4
1
2
3
#20
#20
#20
11
J6
T9-MS2-06
11
SCHALTER 2 POLIG TAST-ON-TAST
1
2
4
2
2
4
4
4
12
2
see conforming ELEKTRIK SYSTEM
EA-9__102.1
OPTION 02 = KISSLING SWITCH & CHERRY MICRO SWITCH
OPTION 01 = MS SWITCH & CHERRY MICRO SWITCH
OPTION 03 = MS SWITCH & BURGESS MICRO SWITCH
OPTION 04 = KISSLING SWITCH & BURGESS MICRO SWITCH
MICROSCHALTER Cherry
01738DC1C-C3LD
44 6
2
1
2
4
2
2
4
4
12
1
2
4
2
2
4
4
12
2
33581
33627
Fa. CONRAD 702333
blue
blue
blue
blue
Fa. ALDERS
Fa. KISSLING
J4
9
10
BUCHSE
FE4305
FE4308
1-0480303-0
163557-2
BUCHSEN GEUSE 3 POLIG
4
12
4
12
4
12
4
12
#20
#20
#20
#20
#20
#20
#20#20
07.11.11 HWA ÄM-300-11-32
A

Table of Contents

Other manuals for Extra 300LT

Related product manuals