EasyManua.ls Logo

Jabiru j430 - This Document Is Controlled While It Remains on the Jabiru Server. Once this no Longer Applies the Document Becomes Uncontrolled

Default Icon
298 pages
Print Icon
To Next Page IconTo Next Page
To Next Page IconTo Next Page
To Previous Page IconTo Previous Page
To Previous Page IconTo Previous Page
Loading...
Aircraft Technical Manual
Jabiru Aircraft Pty Ltd
JTM001-5
J120, J160, J170, J200/J400, J230/J430, J250/J450 Variants
This document is controlled while it remains on the Jabiru server. Once this no longer applies the document becomes uncontrolled.
ISSUE
1
2
3
4
5
Dated: 29th October 2014
Issued By: AS
Page: 248 of 298
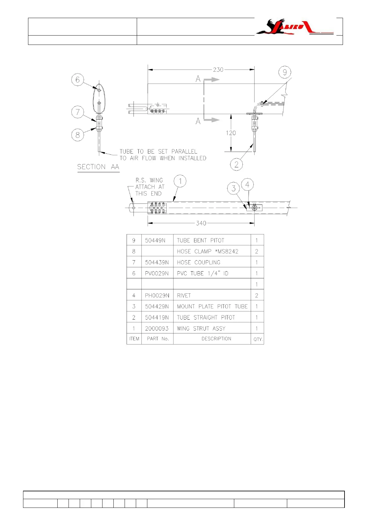
Figure 187 Pitot Assembly (all J-Series)

Table of Contents

Related product manuals