EasyManua.ls Logo

Jacobsen Eclipse 322 - Quality of Cut; Quality of Cut Troubleshooting Steps; Washboarding Diagnosis and Remedy

Jacobsen Eclipse 322
336 pages
Print Icon
To Next Page IconTo Next Page
To Next Page IconTo Next Page
To Previous Page IconTo Previous Page
To Previous Page IconTo Previous Page
Loading...
4-34 4222983 Second Edition
ELECTRICAL
4
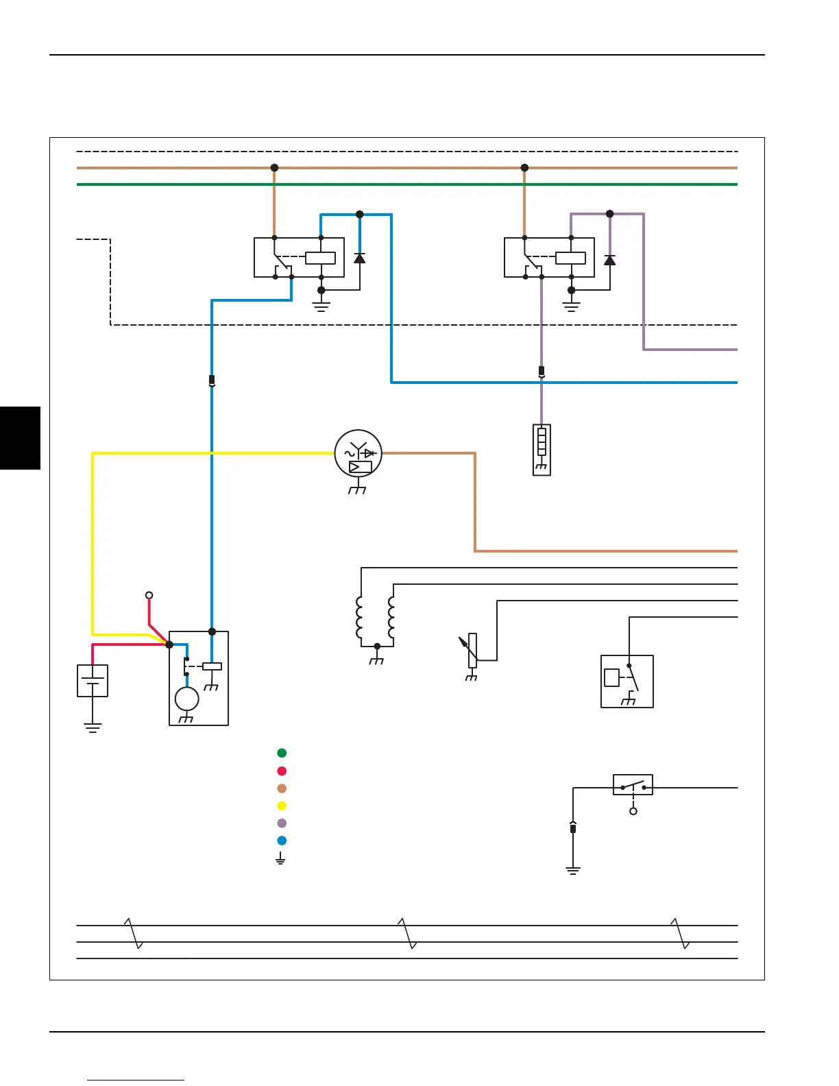
Diesel Engine Circuit Schematic
Continued
Figure 4-22
18
Brn/
Wht
R14
Glow
Plugs
282 Brn
P
B1
Engine
Oil
Pressure
Switch
281 Lt Blu
Hold-In
Coil
Pull-In
Coil
279 Red
284 Org
150
Red
Y1
Fuel
Shutoff
Solenoid
283 Blu
G1
12V
Battery
+
-
To
PDU
Stud 6
6A Red
M1
Starter
Motor
M
280
Wht
6
Red
48V Switched Power 48V Switched Power
12V Switched Power 12V Switched Power
CAN Shield
CAN Low
CAN High
CAN Shield
CAN Low
CAN High
CAN Shield
CAN Low
CAN High
CAN Shield
CAN Low
CAN High
13 Wht/Red13 Wht/Red
14 Wht/Brn
J1-9 J1-6
J26-2
J66B-1
109
Brn/
Yel
15
Wht/
Yel
J1-7J104-H
K4
Start
Relay
K5
Glow
Plug
Relay
8787A 85
8630
8787A 85
8630
V4 V5
A1
Power
Distribution
Unit
(PDU)
Wht
1E
Blk
Blk
J61-2 J61-1
J97-2
B3
Fuel
Level
Switch
6A Red J83B
283 Blu
G2
Alternator
G
U
3
J83 (IG)
Glow Plug Circuit
Start Circuit
Charging Circuit
48V Unswitched Power Circuit
12V Switched Power Circuit
Ground Circuit
B2
Engine
Temperature
Sensor
GC2
48V Switched Power Circuit
TN1666

Table of Contents

Other manuals for Jacobsen Eclipse 322

Related product manuals