EasyManua.ls Logo

Jacobsen Eclipse 322 - LDU Error Codes; Reel Control Unit Error Codes

Jacobsen Eclipse 322
336 pages
Print Icon
To Next Page IconTo Next Page
To Next Page IconTo Next Page
To Previous Page IconTo Previous Page
To Previous Page IconTo Previous Page
Loading...
ELECTRICAL
4222983 Second Edition 4-19
4
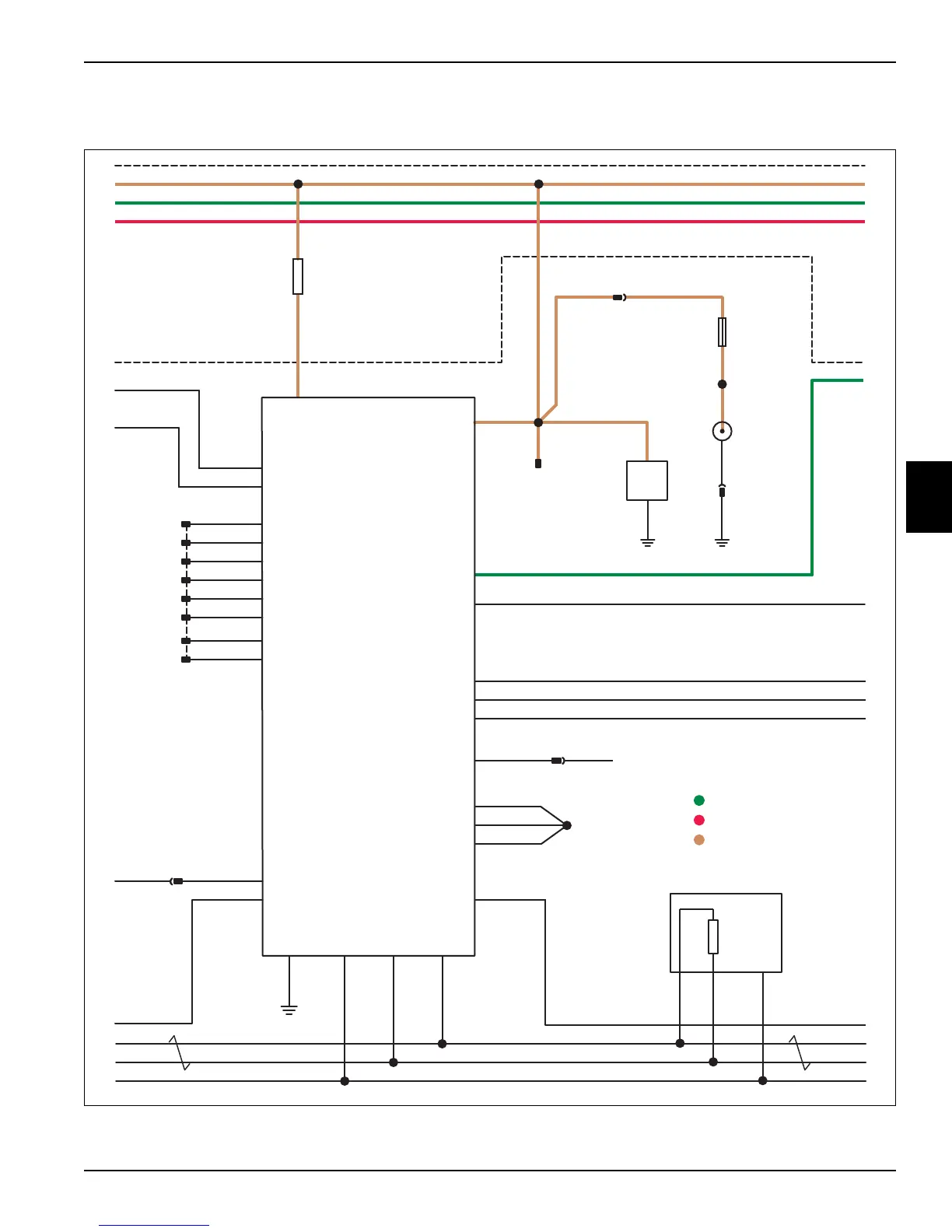
Electrical Schematic
Continued
Figure 4-10
A1
Power
Distribution
Unit
(PDU)
R10
.02
Ohm
Resistor
48V Power Bus 48V Power Bus
48V Switched Power 48V Switched Power
12V Switched Power 12V Switched Power
Shield1F
Blk
92A
Grn
91A
Yel
Ground
J2-9
CAN
Shield
J2-10
CAN
Low
J2-12
CAN
High
J2-11
CAN Shield
CAN Low
CAN High
CAN Shield
CAN Low
CAN High
81C Brn
71 Drk Grn
J1-10
A4
Main
Control
Unit
(MCU)
J26
Engine
Harness
Connector
13 Wht/Red
13 Wht/Red
J2-8
12V
Power
Input
65 Brn
67 Wht 67 Wht/Blu
61 Vio
64 Brn/Wht 64 Brn/Wht
62 Red/Org
63 Org/Wht
14 Wht/Brn
14 Wht/Brn
9A Pnk
150 Red
9B
Pnk
9C
Pnk
9D
Pnk
1K
Blk
5A Red/Blk
5A Red/Blk
16
Red/Grn
9
Pnk
5
To
Diesel
Engine
Harness
Connector
J66-5
Splice E
J107-1
J107-2
71 Drk Grn
J4-10 Seat Switch
J3-9 Fuel Level
J3-7 Oil Pressure
J2-1 Magneto (-)
Work Light Output (-) J3-5
48V Power Input J2-7
Traction Contactor Output (-) J3-6
Genset Fault Input J3-10
11 Wht/Blu 11 Wht/Blu
20 Wht/Blu
20 Wht/Blu
81C Brn
Brake Input J3-12
J2-5 Fuel Pull-In (+)
J2-4 Fuel Hold (+)
J2-2 Start (+)
1
7
3
4
6
12
11
10
J2-3 Glow Plug (+)
66 Lt Blu
J3-8 Engine Temperature
J1-5
12V Power Input J2-6
J99
12V
Accessory
Socket
(Hybrid Models)
F1
10A
Fuse
R17
CAN
Termination
Resistor
J26
E4
Dome
Light
(Hybrid Models)
112 Blu112 Blu
TCU Fan Output (-) J3-4
110 Yel/Blk 110 Blu
120
Ohms
J97-3
To
Generator
Control
Unit
12V Whisper Mode J3-2
J4-6 5 Volt Supply
J4-2 Program Select 1 (Gasoline Genset)
68 Yel
Splice H
J79-A
91
Yel
92
Grn
Shield
J79-B J79-C
70 Grn/Wht
108 Gry/Wht
69B Grn
69A Grn
69 Grn
J4-3 Program Select 2 (Diesel Genset)
Program Select 3 J4-4
Program Select 4 J4-5
Ground J4-7
J97-1
J106-1
153
Blk
152
Red
151
Red
1J
Blk
J106-2
GC2
GC2
GC2
12V Switched Power Circuit
48V Switched Power Circuit
48V Unswitched Power Circuit
TN1657

Table of Contents

Other manuals for Jacobsen Eclipse 322

Related product manuals