EasyManua.ls Logo

Mitsubishi FX3U-4HSX-ADP - 10.1 Before Starting Input Wiring

Mitsubishi FX3U-4HSX-ADP
520 pages
To Next Page IconTo Next Page
To Next Page IconTo Next Page
To Previous Page IconTo Previous Page
To Previous Page IconTo Previous Page
Loading...
FX3U Series Programmable Controllers
User’s Manual - Hardware Edition
180
9 Preparation for Wiring and Power Supply Wiring Procedures
9.5 Examples of External Wiring [AC Power Supply/DC Input Type]
9.5.3 Example of source input [+common] wiring
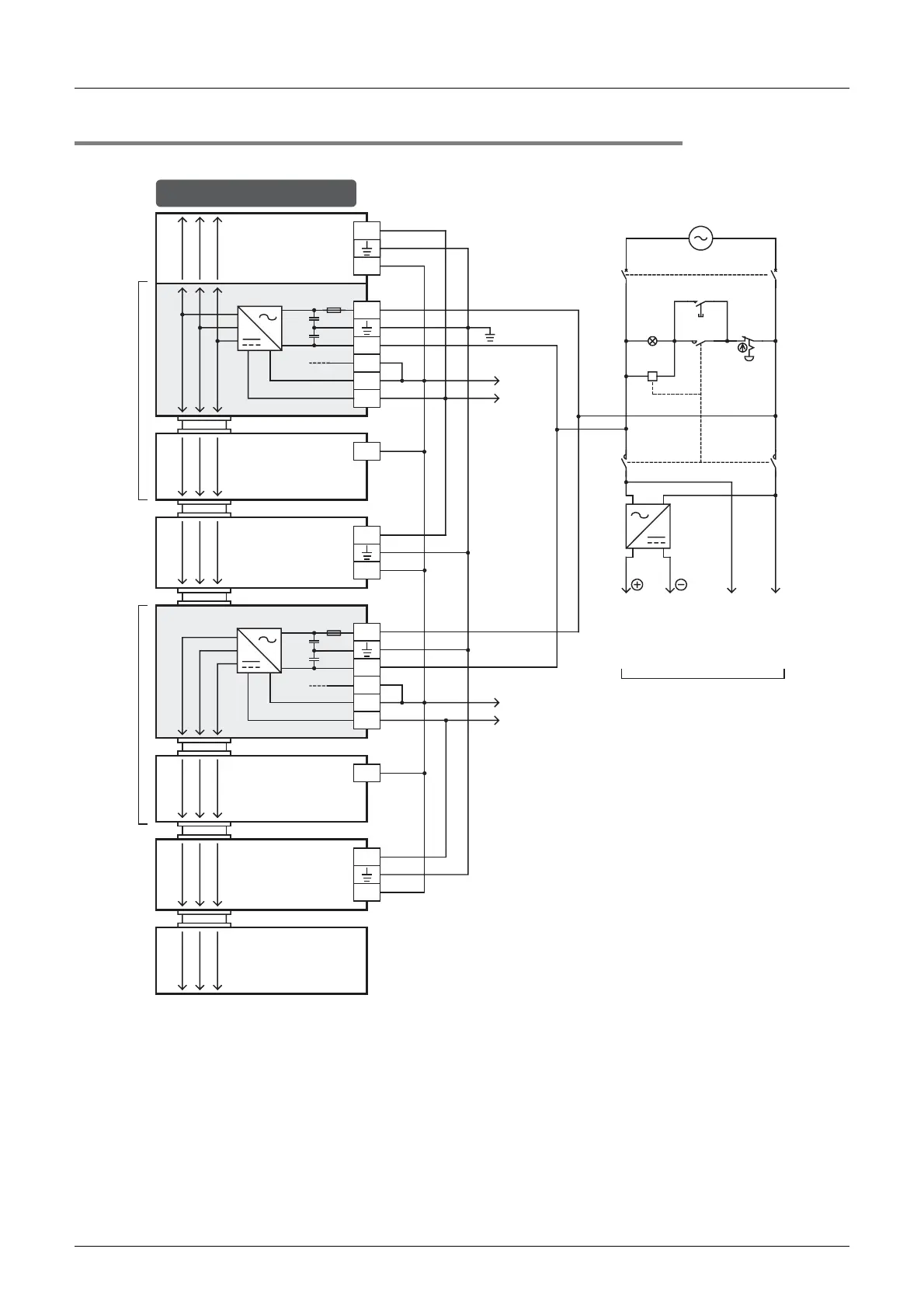
An example of source input [+common] wiring is shown below.
*1 Connect the AC power supply to the L and N terminals
(in any case of 100V AC system and 200V AC system).
Make sure that the power is turned ON at the same time
in the main unit and extension units or earlier in
extension units than the main unit.
For details, refer to "WIRING PRECAUTIONS" in "Safety
Precautions"
As for details, see "WIRING PRECAUTIONS" at "Safety
Precautions" field.
*2 Connect the 0V terminal of the main unit or extension
unit to the S/S terminal of the input extension block.
*3
Some special function units/blocks or special adapters
do not have a power supply terminal.
When using an external power supply, turn it ON at the
same time with the main unit or earlier than the main unit.
When turning OFF the power, confirm the safety of the
system, and then turn OFF the power of the PLC
(including special extension equipment) at the same time.
*4 Do not connect the 24V terminals (24V DC service power
supply) of the main unit and the input/output extension
unit with each other. Connect the 0V terminal.
*5 Some special extension units/blocks do not have power
terminals.
When using an external power supply, turn it ON at the
same time with the extension unit or earlier than the
extension unit.
When turning OFF the power, confirm the safety of the
system, and then turn OFF the power of the PLC
(including special extension equipment) at the same time.
Sink and source input type
PL
Power supply ON
Emergency
stop
MC
MC
MC MC
DC
power
supply
Power supply for loads to
be connected to PLC
output terminals
As for details on emergency
stop operation, see "DESIGN
PRECAUTIONS" at "Safety
Precautions" field.
DC AC
AC power supply of
100 to 240V
Breaker
S/S
L
N
0V
Special adapter
24-
24+
24V
Main unit
Input extension
block
S/S
24V DC
service
power
supply
output
*4
*1
*3
*2
5V 0V 24V
5V 0V 24V
5V 0V 24V
24-
24+
*3
Special function
block
5V 0V 24V
S/S
L
N
0V
24V
S/S
24-
24+
24V DC
service
power
supply
output
*5
*4
*1
*2
Input/output powered extension unit
5V 0V 24V
5V 0V 24V
Input extension
block
Special function
block
5V 0V 24V
5V 0V 24V
Output extension
block
Sink and
source
input
type
Sink and
source
input
type
Class D
grounding

Table of Contents

Related product manuals