EasyManua.ls Logo

Mitsubishi FX3U-4HSX-ADP - An External Wiring Example for the Extension Power Supply Unit (Source Input [+Common])

Mitsubishi FX3U-4HSX-ADP
520 pages
To Next Page IconTo Next Page
To Next Page IconTo Next Page
To Previous Page IconTo Previous Page
To Previous Page IconTo Previous Page
Loading...
FX3U Series Programmable Controllers
User’s Manual - Hardware Edition
182
9 Preparation for Wiring and Power Supply Wiring Procedures
9.5 Examples of External Wiring [AC Power Supply/DC Input Type]
9.5.5 An external wiring example for the extension power supply unit (source input [+common])
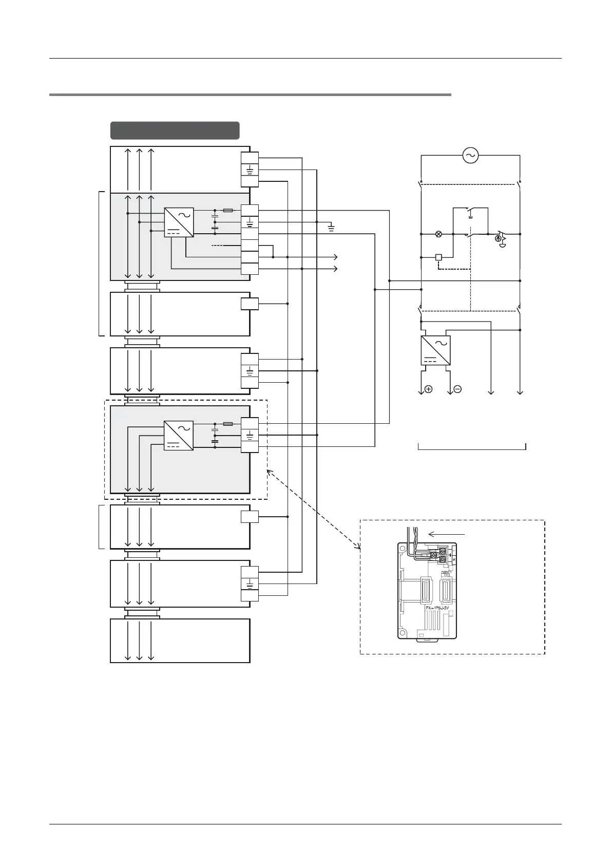
This example shows a source input wiring (+common), including the extension power supply unit.
*1 Connect the AC power supply to the L and N terminals (in any case
of 100V AC system and 200V AC system).
Make sure that the power is turned ON at the same time in the
main unit and extension power supply units or earlier in extension
power supply units than the main unit.
As for details, see "WIRING PRECAUTIONS" at "Safety Precautions"
field.
*2 Connect the 0V terminal of the main unit to the S/S terminal of the
input extension block.
*3 Some special function units/blocks or special adapters do not have
a power supply terminal.
When using an external power supply, turn it ON at the same time
with the main unit or earlier than the main unit.
When turning OFF the power, confirm the
safety of the system, and then turn OFF the
power of the PLC (including special extension
equipment) at the same time.
*4 Some special function units/blocks do not have
a power supply terminals.
When using an external power supply, turn it
ON at the same time with the extension power
supply unit or earlier than the extension power
supply unit.
When turning OFF the power, confirm the
safety of the system, and then turn OFF the
power of the PLC (including special extension
equipment) at the same time.
AC power supply of
100 to 240V
S/S
L
N
0V
Special adapter
24-
24+
PL
Power supply ON
Emergency
stop
MC
MC
24V
Main unit
Input extension
block
S/S
24V DC
service
power
supply
output
Class D
grounding
*1
*2
5V 0V 24V
5V 0V 24V
5V 0V 24V
Sink and source input type
MC MC
DC
power
supply
Power supply for loads to
be connected to PLC
output terminals
As for details on emergency stop
operation, see "DESIGN PRECAUTIONS"
at "Safety Precautions" field.
DC AC
Breaker
24-
24+
*3
*3
Special function
block
5V 0V 24V
L
N
S/S
24-
24+
*4
*1
*2
Extension power supply unit
5V 0V 24V
5V 0V 24V
Input extension
block
Special function
block
5V 0V 24V
5V 0V 24V
Output extension
block
Sink and
source
input
type
Sink and
source
input
type
Wiring precaution:
Grounding and power cables should be positioned
to exit the unit from above as shown in the figure.
Grounding and
power cables

Table of Contents

Related product manuals