EasyManua.ls Logo

Pilz PMCprotego D.48 - 4.3.3.7 Connection example for STO, dual-channel

Pilz PMCprotego D.48
215 pages
Print Icon
To Next Page IconTo Next Page
To Next Page IconTo Next Page
To Previous Page IconTo Previous Page
To Previous Page IconTo Previous Page
Loading...
Function Description
Operating Manual PMCprotego D.48, PMCprotego D.72
1001735-EN-04
49
} The safety relay is wired for an automatic reset.
} The safety function STO complies with PLd (Cat.2) of ENISO13849-1 and SILCL2
of EN/IEC62061.
The relays' wiring must comply with the category or performance level required for the ap-
plication. Further information on the safety relays is available from Pilz.
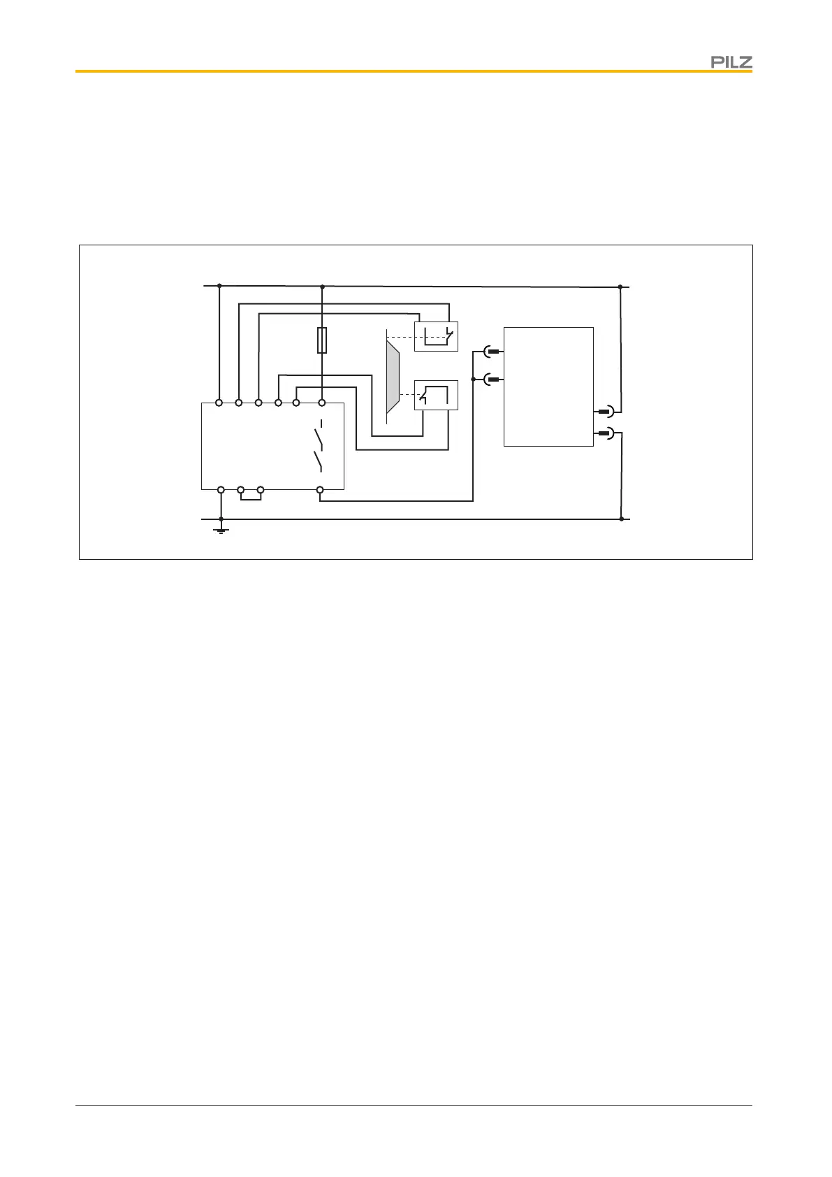
PNOZ s3
A1
S11
STO1-ENABLE
STO2-ENABLE
S12
S21 S22
23
24S12 S34A2
X4
24V
0V
24 V
0 V
S1
S2
7
5
2
4
PMCprotego D
Fig.: STO, single-channel with safety relay PNOZ s3
4.3.3.7 Connection example for STO, dual-channel
The following circuit example illustrates dual-channel activation of the safety function STO.
} Activation of the inputs STO1-ENABLE and STO2-ENABLE is dual-channel, via the
semiconductor outputs from a safety control system PNOZ mm0p.
} The status of the pulse disabler is tested periodically by evaluating the two feedback
signals STO1-STATUS and STO2-STATUS from the safety control system.
} The safety function STO complies with PLe (Cat.4) of ENISO13849-1 and SILCL3
of EN/IEC62061.
The relays' wiring must comply with the category or performance level required for the ap-
plication. Further information on the safety control system PNOZmulti is available from Pilz.

Table of Contents