EasyManua.ls Logo

SICK DUSTHUNTER T100 - Optional External Purge Air Unit

SICK DUSTHUNTER T100
261 pages
Print Icon
To Next Page IconTo Next Page
To Next Page IconTo Next Page
To Previous Page IconTo Previous Page
To Previous Page IconTo Previous Page
Loading...
121
8012428/YWL2/3-0/2016-08| SICK O P E R A T I N G I N S T R U C T I O N S | DUSTHUNTER T
Subject to change without notice
SPECIFICATIONS 7
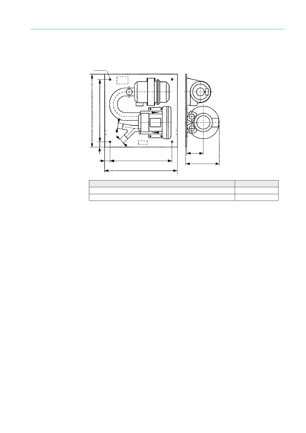
7.3.6 Optional external purge air unit
Fig. 86: Optional external purge air unit
550
258
ø 14
470
550
40
40
470
128
4
0
Designation Part No.
Purge air unit with blower 2BH13 and purge air hose, length 5 m 1012424
Purge air unit with blower 2BH13 and purge air hose, length 10 m 1012409

Table of Contents

Related product manuals