EasyManua.ls Logo

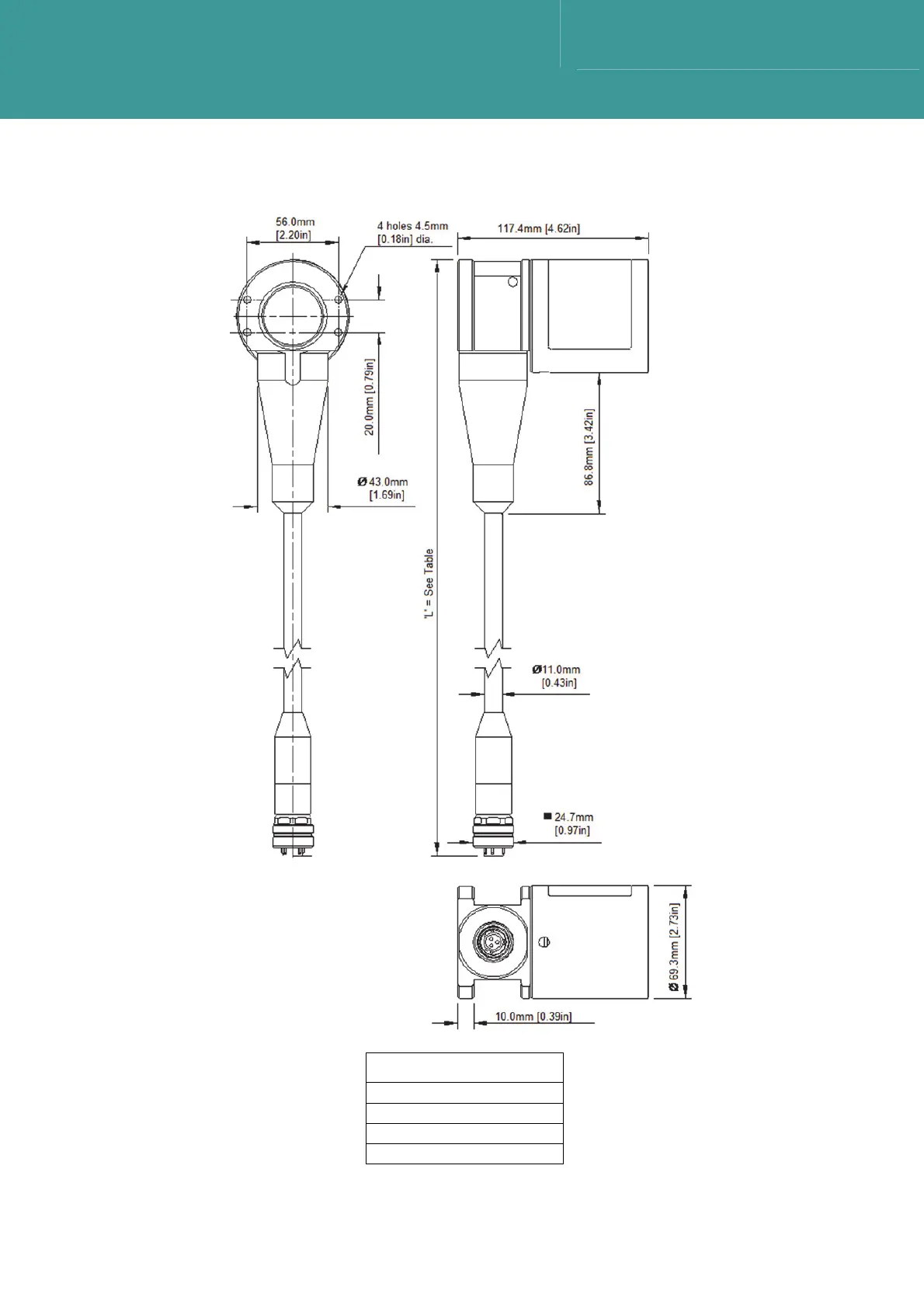
Sonardyne 8270 - Figure 3-13 - Type 8065-121-XM 1000 M Rated Right-Angle Remote Transducer

Sonardyne 8270
142 pages
Print Icon
To Next Page IconTo Next Page
To Next Page IconTo Next Page
To Previous Page IconTo Previous Page
To Previous Page IconTo Previous Page
Loading...
WSM6 Manual
Document Ref: UM-8270-000
Issue: A Rev 0
Section 3
October 2011 15
Figure 3-13 – Type 8065-121-XM 1000m rated right-angle remote Transducer
Tail Table (length L)
0.6m [2ft]
1.0m [3ft]
2.0m [6ft]
3.0m [10ft]

Table of Contents

Related product manuals