EasyManua.ls Logo

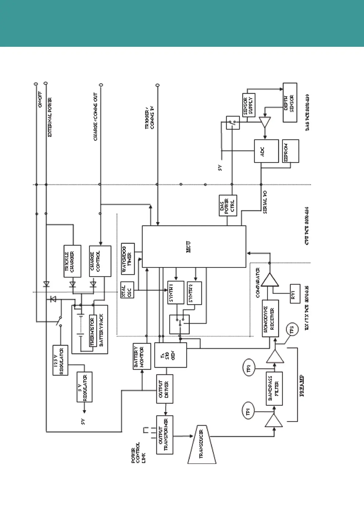
Sonardyne 8270 - Figure 6-3 - Circuit Block Diagram

Sonardyne 8270
142 pages
Print Icon
To Next Page IconTo Next Page
To Next Page IconTo Next Page
To Previous Page IconTo Previous Page
To Previous Page IconTo Previous Page
Loading...
WSM6 Manual
Document Ref: UM-8270-000
Issue: A Rev 0
Section 6
44
Figure 6-3 – Circuit Block Diagram
October 2011

Table of Contents

Related product manuals