EasyManua.ls Logo

Sony DCR-PC101E - Page 42

Sony DCR-PC101E
149 pages
Print Icon
To Next Page IconTo Next Page
To Next Page IconTo Next Page
To Previous Page IconTo Previous Page
To Previous Page IconTo Previous Page
Loading...
DCR-PC101/PC101E
COVER
COVER
4-57 4-58
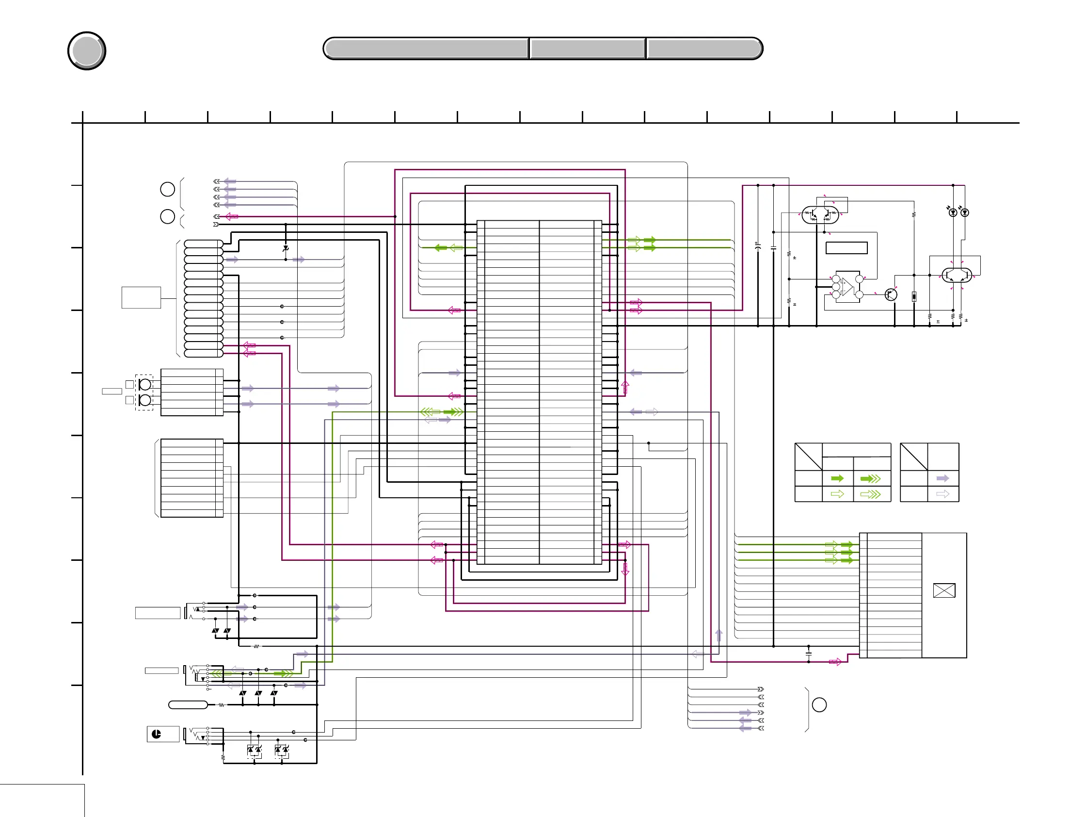
ME-020 (2/2)
For Schematic Diagram
Refer to page 4-85 for printed wiring board.
4-2. SCHEMATIC DIAGRAMS
ME-020 BOARD SIDE A ME-020 BOARD SIDE B
4-2. SCHEMATIC DIAGRAMS
ME-020 BOARD SIDE A ME-020 BOARD SIDE B
4.6
0.4
2.8
1.1
0.5
1.1
0.4
0
4.5
0
0.4
4.6
1.41.4
1.1
0.4
NO MARK:REC/PB MODE
LINE
LINE
EXT_MIC_L
EXT_MIC_R
SHOE_MIC_L
REG_GND
INT_MIC_R
INT_MIC_L
MIC_L
MIC_R
ZOOM_MIC_CONT
EXT_MIC_JACK
XMIC_MONO
AU_2.8V
01ZA8.2(TPL3)
D402
01ZA8.2(TPL3)
D401
VDR402
VDR401
VDR403
VDR404
VDR405
FB406
FB402
FB403
FB404
FB405
FB401
FB407
FB408
FB409
FB410
FB411
J401
UDZSTE-178.2B
D407
J403
0
R402
0
R401
XX
R411
J402
LND401
GND
88P
CN404
1
3
5
7
9
11
13
15
17
19
21
23
25
27
29
31
33
35
37
39
41
43
45
47
49
51
53
55
57
59
61
63
65
67
69
71
73
75
77
79
81
83
85
87
2
4
6
8
10
12
14
16
18
20
22
24
26
28
30
32
34
36
38
40
42
44
46
48
50
52
54
56
58
60
62
64
66
68
70
72
74
76
78
80
82
84
86
88
6P
CN401
1
2
3
4
5
6
10P
CN402
1
2
3
4
5
6
7
8
9
10
R501
0.5%
150k
Q502
2SB1462J-
QR(K8).SO
XN4312-TW
Q501
4
2
3
1
5
6
XP6501-(TX).SO
Q503
6
5
1
4
3
2
C501
10V
XX
R508
0.5%
22
16P
CN502
1 VDD
2 VSS
3 VST
4 VCK
5 STB
6EN
7DWN
8 RGT
9 HST
10 HCK2
11
HCK1
12 BLK
13 B
14 R
15
G
16
COM
C502
0.1u
R509
0.5%
22
TH501
R502
0.5%
33k
XX
R506
D501
NSCW215T-T39
R505
3300
D502
NSCW215T-T39
2.2u
C503
NJM2125F(TE2)
IC501
123
45
HCK2
COM
B
BLK
RGT
EN
EVF_VCK
VST
STB
DWN
HST
HCK1
R
G
COM
G
R
B
BLK
HCK1
HCK2
HST
RGT
DWN
EN
STB
EVF_VCK
VST
LANC_SIG
HS_TXD
HOTSHOE_ID1
HS_RXD
HOTSHOE_ID2
HS_SCK
EXT_STROBO
HS_HDS
SHOE_CONT_AD
SHOE_MIC_L
HOTSHOE_ID1
HOTSHOE_ID2
EXT_STROBO
SHOE_CONT_AD
ZOOM_MIC_CONT
HS_TXD
HS_SCK
HS_RXD
HS_HDS
MIC_L
EXT_MIC_JACK
XMIC_MONO
MIC_R
ZOOM_MIC_CONT
EXT_MIC_JACK
XMIC_MONO
SHOE_MIC_L
MIC_L
MIC_R
EXT_MIC_L
EXT_MIC_R
INT_MIC_R
INT_MIC_L
INT_MIC_R
INT_MIC_L
EXT_MIC_L
EXT_MIC_R
LANC_SIG
GND
GND
XS/S_SW
GND
MIC_R
XPHOTO_STBY_SW
XCAM_MODE_SW
XEJECT_SW
XVTR_MODE_SW
MIC_L
XS/S_SW
HST
GND
HCK2
GND
SHOE_UNREG_GND
SHOE_UNREG_GND
XVTR_MODE_SW
EVF_VCC
DWN
PRT_HEAD_UNREG
PANEL/EVF_4.6V
XLANC_JACK_IN
GND
GND GND
COM
EN
BLK
RGT
ZOOM_MIC_CONT
GND
GND
GND
LED_DA
SHOE/PRT_UNREG
HOTSHOE_ID1HS_TXD
GND
AV_JACK_IN
AU_LINE_I/O_L
AV_GND
SHOE/PRT_UNREG
LANC_SIG
GND
HS_SCK
GND
HS_RXD
VST
HOTSHOE_ID2
AU_2.8V
MIC_R
XMIC_MONO
LANC_GND
PS_GND
EXT_MIC_JACK
EVF_VCK
AU_2.8V
SHOE/PRT_UNREG
PRT_HEAD_UNREG
SHOE_MT_GND
SHOE_MT_GND
AU_LINE_I/O_R
SHOE_CONT_AD
SHOE_UNREG_GND
LCD_GND
HS_HDS
SHOE_UNREG_GND
GND
EXT_STROBO
G
PRT_HEAD_UNREG
STB
SHOE_MT_GND
MIC_GND
SHOE_MT_GND
MIC_L
B
HCK1
LANC_DC
AV_GND
VIDEO_I/O
XEJECT_SW
R
GND
PANEL/EVF_4.6V
LED_ON/OFF
XCAM_MODE_SW
XPHOTO_STBY_SW
SHOE_UNREG_GND
SHOE_MIC_L
SHOE_ID2
SHOE_MIC_GND
LANC_SIG
TXD
RTS(SCK)
SHOE_CONT_AD
SHOE_MT_GND
STB_ON
CTS(HDS)
SHOE_ID1
RXD
PRT_HEAD_UNREG
SHOE_UNREG
BL_GND
MIC_GND
GND
REG_GND
GND
N.C
MIC_GND
GND
GND
GND
NC
NC
N.C
NC
NC
VCC
(PAGE 4-47)
CN1001
VC-284 (20/20)
D
81410
E
H
3 151 112
J
F
I
ME-020 BOARD (2/2)
4
C
B
76
05
139
A
12
G
5
L
R
MIC901
MIC UNIT
(PAGE 4-65)
(PS-2850)
(1/2)
1
2
(1/2)
3
(1/2)
LCD903
COLOR
EVF UNIT
BACK LIGHT CONTROL
IC501
LED DRIVE
SWITCH
EVF,EVF BACK LIGHT,JACK
XX MARK:NO MOUNT
10
2
4
7
6
1
5
8
3
9
11
12
13
14
15
INTELLIGENT
ACCESSORY
SHOE
R
L
STEREO
BLOCK
CONTROL SWITCH
LANC
AUDIO/VIDEO
MIC
(PLUG IN POWER)
BACK LIGHT
CONTROL
D501,502
(BACK LIGHT)
PB
REC
CHROMA
Y/CHROMA
SIGNAL PATH
VIDEO SIGNAL
PB
SIGNAL
AUDIO
REC

Table of Contents

Related product manuals