EasyManua.ls Logo

STMicroelectronics STM32F407 - Figure 399. Bulk;Control in Transactions

STMicroelectronics STM32F407
1731 pages
Print Icon
To Next Page IconTo Next Page
To Next Page IconTo Next Page
To Previous Page IconTo Previous Page
To Previous Page IconTo Previous Page
Loading...
USB on-the-go full-speed (OTG_FS) RM0090
1332/1731 DocID018909 Rev 11
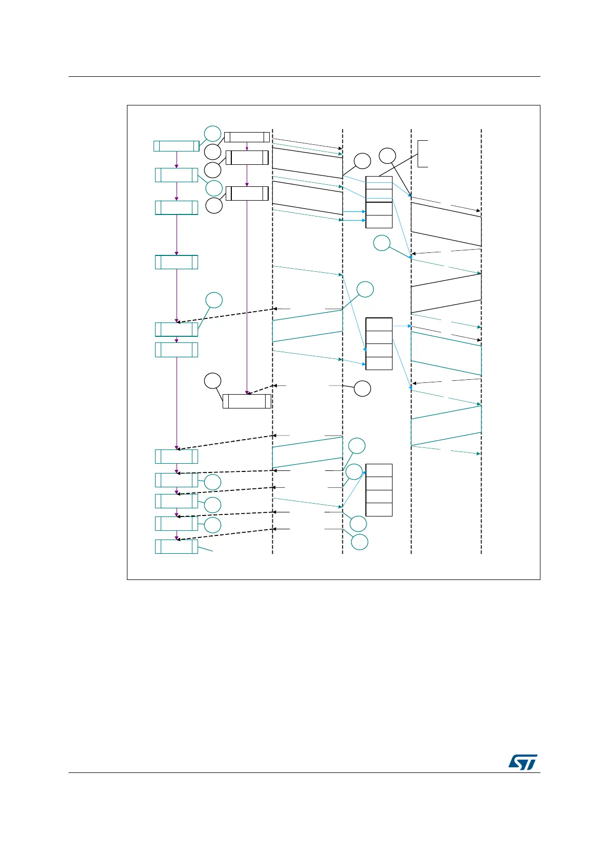
Figure 399. Bulk/control IN transactions
The sequence of operations is as follows:
a) Initialize channel 2.
b) Set the CHENA bit in HCCHAR2 to write an IN request to the non-periodic request
queue.
c) The core attempts to send an IN token after completing the current OUT
transaction.
d) The core generates an RXFLVL interrupt as soon as the received packet is written
to the receive FIFO.
e) In response to the RXFLVL interrupt, mask the RXFLVL interrupt and read the
received packet status to determine the number of bytes received, then read the
receive FIFO accordingly. Following this, unmask the RXFLVL interrupt.
A
C
K
HostApplication DeviceAHB USB
O
U
T
D
A
T
A
0
M
P
S
1
MPS
1
MPS
write_tx _fifo
(ch_1)
init_reg(ch_1)
set _ch_en
(ch_2)
init_reg(ch_2)
write_tx _fifo
(ch_1)
set _ch_en
(ch_2)
ch_2
ch_2
ch_1
ch_1
De-allocate
(ch_1)
I
N
ch_2
ch_2
ch_2
ch_1
A
C
K
O
U
T
set _ch_en
(ch_2)
Non-Periodic Request
Queu e
Assume that this queue
can hold 4 entries.
4
1
6
A
C
K
D
A
T
A
0
I
N
A
C
K
read_rx_sts
read_rx_fifo
1
MPS
set _ch_en
(ch_2)
1
MPS
read_rx_stsre
ad_rx_fifo
read_rx_sts
Disable
(ch_2)
1
2
3
4
5
6
7
De-allocate
(ch_2)
CHH interruptr
ch_2
2
3
5
7
8
9
12
13
read_rx_sts
10
11
D
A
T
A
1
M
P
S
D
A
T
A
1
ai15675
RXFLVL interrupt
XFRC interrupt
RXFLVL interrupt
RXFLVL interrupt
RXFLVL interrupt
XFRC interrupt

Table of Contents

Related product manuals