EasyManua.ls Logo

STMicroelectronics STM32F407 - Figure 25. Basic Structure of a Five-Volt Tolerant I;O Port Bit; Table 35. Port Bit Configuration Table

STMicroelectronics STM32F407
1731 pages
Print Icon
To Next Page IconTo Next Page
To Next Page IconTo Next Page
To Previous Page IconTo Previous Page
To Previous Page IconTo Previous Page
Loading...
General-purpose I/Os (GPIO) RM0090
270/1731 DocID018909 Rev 11
Each I/O port bit is freely programmable, however the I/O port registers have to be
accessed as 32-bit words, half-words or bytes. The purpose of the GPIOx_BSRR register is
to allow atomic read/modify accesses to any of the GPIO registers. In this way, there is no
risk of an IRQ occurring between the read and the modify access.
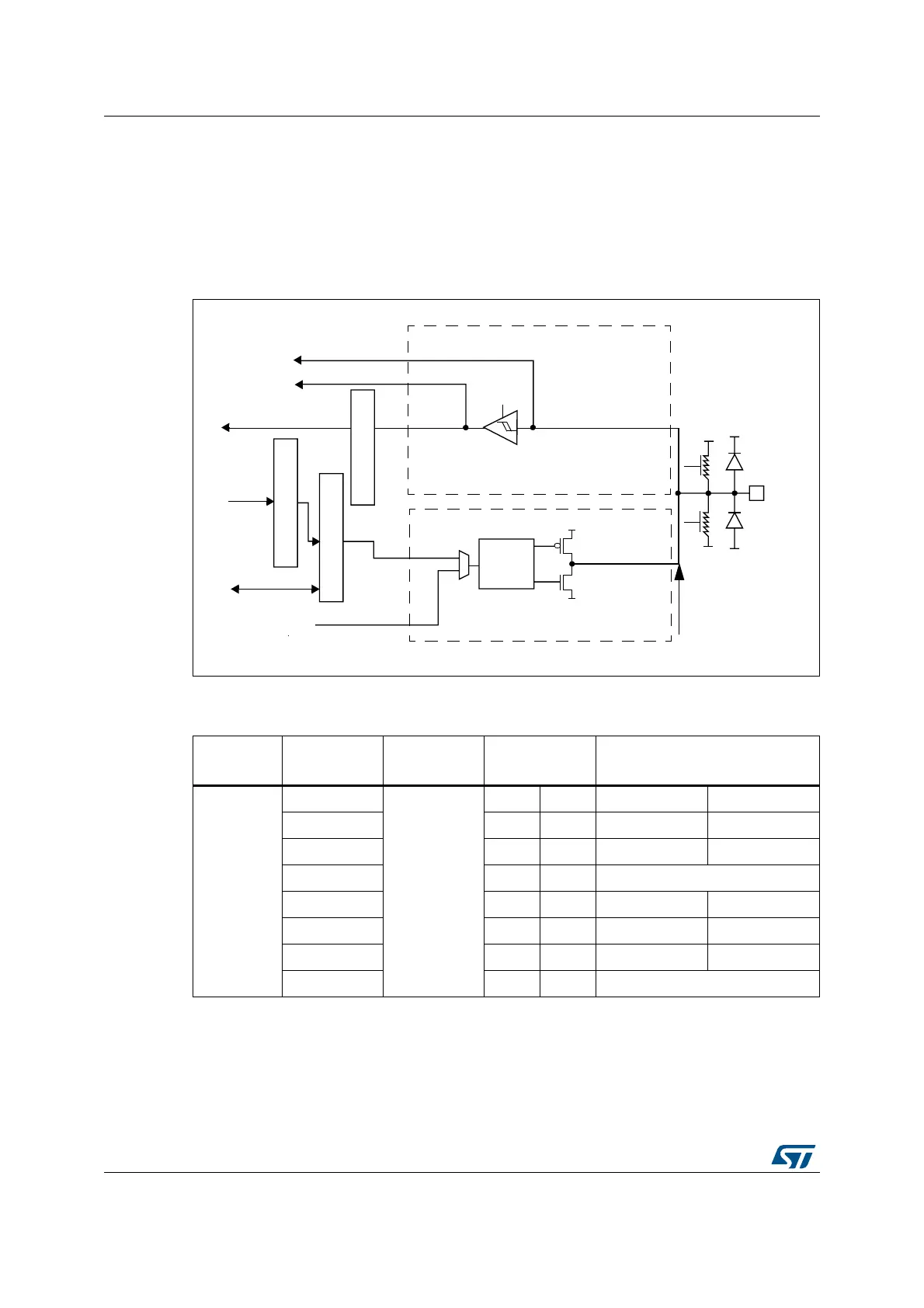
Figure 25 shows the basic structure of a 5 V tolerant I/O port bit. Table 39 gives the possible
port bit configurations.
Figure 25. Basic structure of a five-volt tolerant I/O port bit
1. V
DD_FT
is a potential specific to five-volt tolerant I/Os and different from V
DD
.
Table 35. Port bit configuration table
(1)
MODER(i)
[1:0]
OTYPER(i)
OSPEEDR(i)
[B:A]
PUPDR(i)
[1:0]
I/O configuration
01
0
SPEED
[B:A]
0 0 GP output PP
0 0 1 GP output PP + PU
0 1 0 GP output PP + PD
0 1 1 Reserved
1 0 0 GP output OD
1 0 1 GP output OD + PU
1 1 0 GP output OD + PD
1 1 1 Reserved (GP output OD)
!LTERNATEFUNCTIONOUTPUT
!LTERNATEFUNCTIONINPUT
0USHPULL
OPENDRAINOR
DISABLED
/UTPUTDATAREGISTER
2EADWRITE
&ROMONCHIP
PERIPHERAL
4OONCHIP
PERIPHERAL
/UTPUT
CONTROL
!NALOG
ONOFF
0ULL
0ULL
ONOFF
)/PIN
6
$$
6
$$
6
33
6
33
44,3CHMITT
TRIGGER
6
33
6
$$?&4

0ROTECTION
DIODE
0ROTECTION
DIODE
ONOFF
)NPUTDRIVER
/UTPUTDRIVER
DOWN
UP
0-/3
.-/3
2EAD
"ITSETRESETREGISTERS
7RITE
!NALOG
)NPUTDATAREGISTER
AIB

Table of Contents

Related product manuals