EasyManua.ls Logo

STMicroelectronics STM32F407 - Figure 180. General-Purpose Timer Block Diagram (TIM9 and TIM12); TIM10;TIM11 and TIM13;TIM14 Main Features

STMicroelectronics STM32F407
1731 pages
Print Icon
To Next Page IconTo Next Page
To Next Page IconTo Next Page
To Previous Page IconTo Previous Page
To Previous Page IconTo Previous Page
Loading...
General-purpose timers (TIM9 to TIM14) RM0090
642/1731 DocID018909 Rev 11
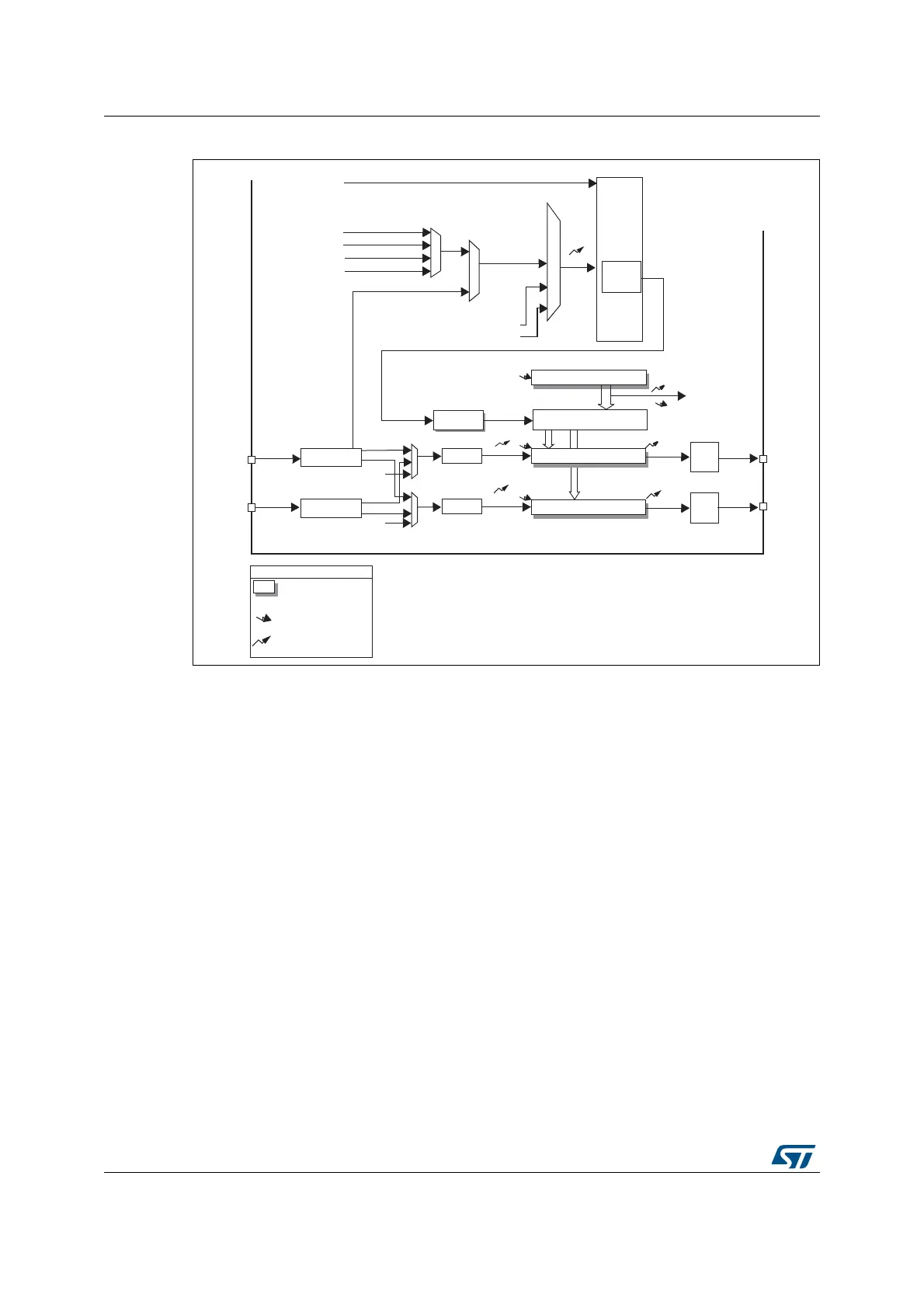
Figure 180. General-purpose timer block diagram (TIM9 and TIM12)
19.2.2 TIM10/TIM11 and TIM13/TIM14 main features
The features of general-purpose timers TIM10/TIM11 and TIM13/TIM14 include:
16-bit auto-reload upcounter
16-bit programmable prescaler used to divide the counter clock frequency by any factor
between 1 and 65536 (can be changed “on the fly”)
independent channel for:
Input capture
Output compare
PWM generation (edge-aligned mode)
One-pulse mode output
Interrupt generation on the following events:
Update: counter overflow, counter initialization (by software)
Input capture
Output compare
Auto-reload register
Capture/Compare 1 register
Capture/Compare 2 register
U
U
U
CC1I
CC2I
Tr i g ge r
controller
Stop, Clear
TI1FP1
TI2FP2
ITR0
ITR1
ITR2
ITR3
TRGI
output
control
OC1
OC1REF
OC2REF
U
UI
Reset, Enable, Count
IC1
IC2
Prescaler
Prescaler
Input filter &
Edge detector
IC2PS
IC1PS
TI1FP1
output
control
OC2
Reg
event
Notes:
Preload registers transferred
to active registers on
U
event
according to control bit
interrupt
TGI
TRC
TRC
ITR
TRC
TI1F_ED
Input filter &
Edge detector
CC1I
CC2I
TI1FP2
TI2FP1
TI2FP2
TI1
TI2
TIMx_CH1
TIMx_CH2
TIMx_CH1
TIMx_CH2
Prescaler
COUNTER
+/-
CK_PSC
PSC
CNT
CK_CNT
controller
mode
Slave
Internal clock (CK_INT)
ai17190

Table of Contents

Related product manuals