EasyManua.ls Logo

STMicroelectronics STM32F407 - Figure 401. Normal Isochronous OUT;IN Transactions

STMicroelectronics STM32F407
1731 pages
Print Icon
To Next Page IconTo Next Page
To Next Page IconTo Next Page
To Previous Page IconTo Previous Page
To Previous Page IconTo Previous Page
Loading...
DocID018909 Rev 11 1339/1731
RM0090 USB on-the-go full-speed (OTG_FS)
1368
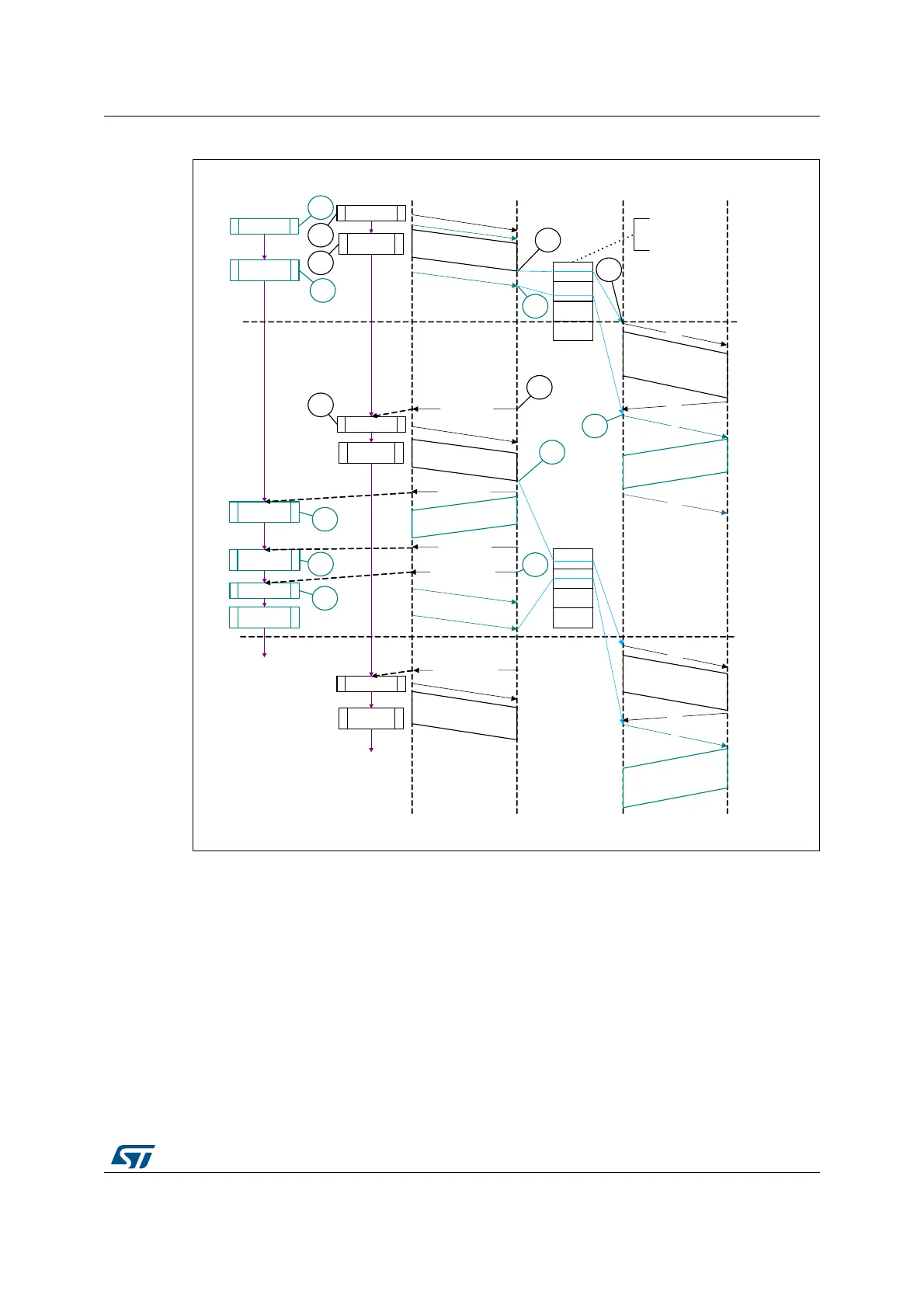
Figure 401. Normal isochronous OUT/IN transactions
Interrupt service routine for isochronous OUT/IN transactions
Code sample: Isochronous OUT
Unmask (FRMOR/XFRC)
if (XFRC)
{
De-allocate Channel
}
else
if (FRMOR)
{
Unmask CHH
Disable Channel
}
Host
Application
DeviceAHB USB
O
U
T
D
A
T
A
0
M
P
S
1
MPS
1
MPS
write_tx_fifo
(ch_1)
init_reg(ch_1)
set_ch_en
(ch_2)
init_reg(ch_2)
write_tx_fifo
(ch_1)
I
N
O
U
T
D
A
T
A
1
M
P
S
Periodic Request Queue
Assume that this queue
can hold 4 entries.
1
5
D
A
T
A
0
I
N
RXFLVL interrupt
1
MPS
read_rx_sts
read_rx_fifo
read_rx_sts
1
2
3
4
6
2
3
6
7
8
9
Odd
(micro)
frame
Even
(micro)
frame
init_reg(ch_1)
set_ch_en
(ch_2)
init_reg(ch_2)
write_tx_fifo
(ch_1)
init_reg(ch_1)
1
MPS
D
A
T
A
1
5
4
A
C
K
A
C
K
A
C
K
ch_1
ch_2
ch_2
ch_1
ai15676
RXFLVL interrupt
XFRC interrupt
XFRC interrupt
XFRC interrupt

Table of Contents

Related product manuals