EasyManua.ls Logo

STMicroelectronics STM32F407 - Figure 262. I 2 S Block Diagram

STMicroelectronics STM32F407
1731 pages
Print Icon
To Next Page IconTo Next Page
To Next Page IconTo Next Page
To Previous Page IconTo Previous Page
To Previous Page IconTo Previous Page
Loading...
DocID018909 Rev 11 891/1731
RM0090 Serial peripheral interface (SPI)
918
28.4 I
2
S functional description
28.4.1 I
2
S general description
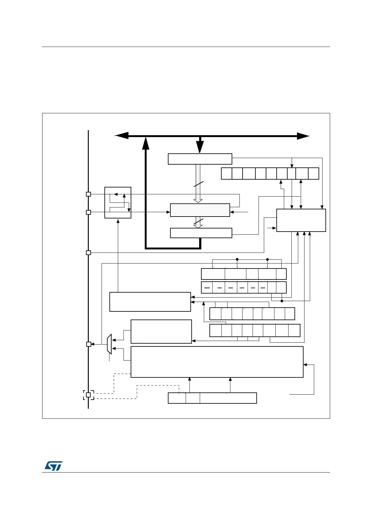
The block diagram of the I
2
S is shown in Figure 262.
Figure 262. I
2
S block diagram
1. I2S2ext_SD and I2S3ext_SD are the extended SD pins that control the I
2
S full duplex mode.
The SPI could function as an audio I
2
S interface when the I
2
S capability is enabled (by
setting the I2SMOD bit in the SPI_I2SCFGR register). This interface uses almost the same
pins, flags and interrupts as the SPI.
4XBUFFER
3HIFTREGISTER
BIT
#OMMUNICATION
2XBUFFER
BIT
-/3) 3$
-ASTERCONTROLLOGIC
-)3/
)3EXT?3$
)3EXT?3$

30)
BAUDRATEGENERATOR
#+
)3-/$
,3"FIRST
,3"
&IRST
30% "2 "2 "2
-342 #0/, #0(!
"IDI
MODE
"IDI
/%
#2#
%.
#2#
.EXT
$&&
2X
ONLY
33-
33)
!DDRESSANDDATABUS
CONTROL
.3373
"39 /62 -/$&
#2#
%22
#(
3)$%
4X% 2X.%
)
3CLOCKGENERATOR
-#+
)3?#+
)3
-/$
)3%
#(
$!4,%.
,%.
#+
0/,
)3#&' )334$
-#+/%/$$ )3$)6;=
;= ;=
;=
5$2
)3X#,+
-36
&2%

Table of Contents

Related product manuals