EasyManua.ls Logo

tornos DECO 7/10 - Page 138

tornos DECO 7/10
170 pages
Print Icon
To Next Page IconTo Next Page
To Next Page IconTo Next Page
To Previous Page IconTo Previous Page
To Previous Page IconTo Previous Page
Loading...
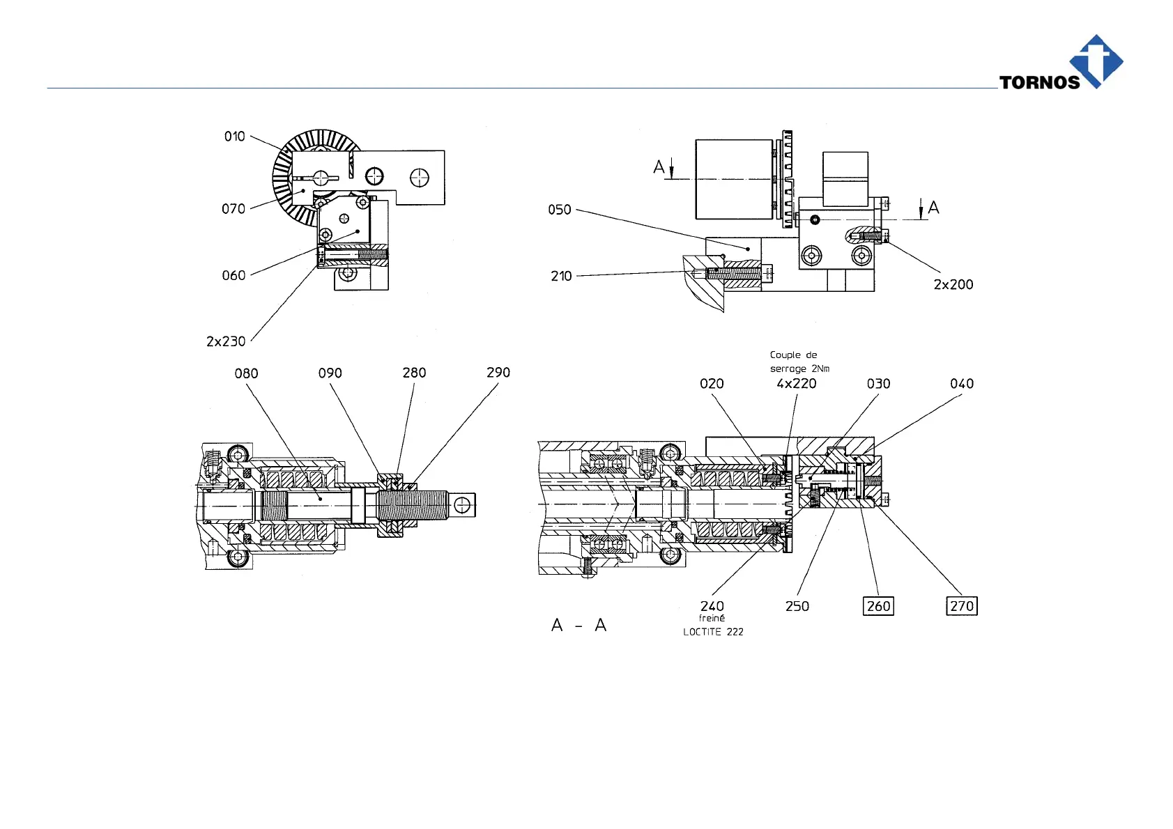
OPTIONS & ALLIED TOOLING − DECO 7/10 − DECO 7a/10a − DECO 7e/10e
300236 en − 02/07 Chap. 18. /2
305125
Tighting
torque: 2
Nm
Secured
with

Table of Contents

Related product manuals