EasyManua.ls Logo

Wacker Neuson WL34 - Page 276

Wacker Neuson WL34
348 pages
Print Icon
To Next Page IconTo Next Page
To Next Page IconTo Next Page
To Previous Page IconTo Previous Page
To Previous Page IconTo Previous Page
Loading...
9-16 SHB WL34 * 2.0
9 Electrical system
Diagrams
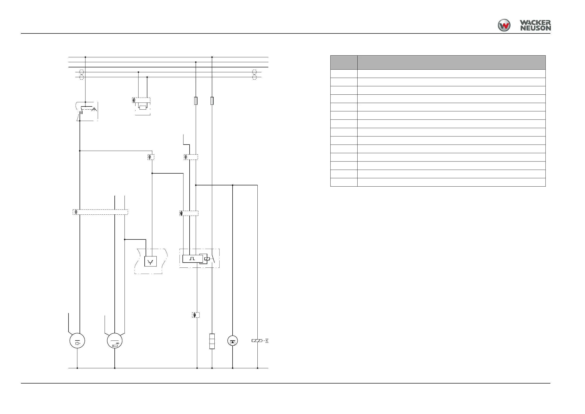
9.9 Electrical diagram – Perkins engine 404D-22 (FG02-01)
02
1
S008:2/FG01-1
S008:1/FG01-1
XA01:16/FG03-1
XA01:1/FG03-1
XA01:15/FG03-1
15
50
15
50
31
31
3030
30 50
B+ D+
W
30
50
1
7
1
2
CAN-L
CAN-H
CAN-L
CAN-H
853
4641
7
L
50 30
31
H
15
R
5 
11
123
6
6
1
2
AB
M
G
M
3~
RD/WH
S001
G001
M009
M001
X001
BK-35
OG-2,5
YE/BK-2,5
RD-10
N004
X002
PK
PK PK
PK-0,75
YE/BK
PK-1,5
RD-16
WH
GY/RD
PK
PK-0,75
N003
WH
BK
R018
2* RD/WH-2,5
R001
F305
50 A
X001
X054
OG
WH
RD/WH
PK
RD/WH RD/WH-2,5
F015
15 A
GN-2,5
X054
BKBK-1,5
Y001
RD/WH
RD/WH
BK
BK
Assign-
ment
Designation
F015 Cut-off solenoid, fuel pump, preheating relay
F305 Preheating system
G001 Generator
M001 Starter
M009 Fuel pump
N003 Preheating time control unit
N004 Traction electronics
R001 Glow plug
R018 Bus terminating resistance
S001 Preheating start switch
X001 Instrument panel
X002 Instrument panel
X054 Preheating system
Y001 Cutoff solenoid

Table of Contents

Related product manuals