EasyManua.ls Logo

Wacker Neuson WL34 - Page 287

Wacker Neuson WL34
348 pages
Print Icon
To Next Page IconTo Next Page
To Next Page IconTo Next Page
To Previous Page IconTo Previous Page
To Previous Page IconTo Previous Page
Loading...
SHB WL34 * 2.0 9-27
Electrical system 9
Diagrams
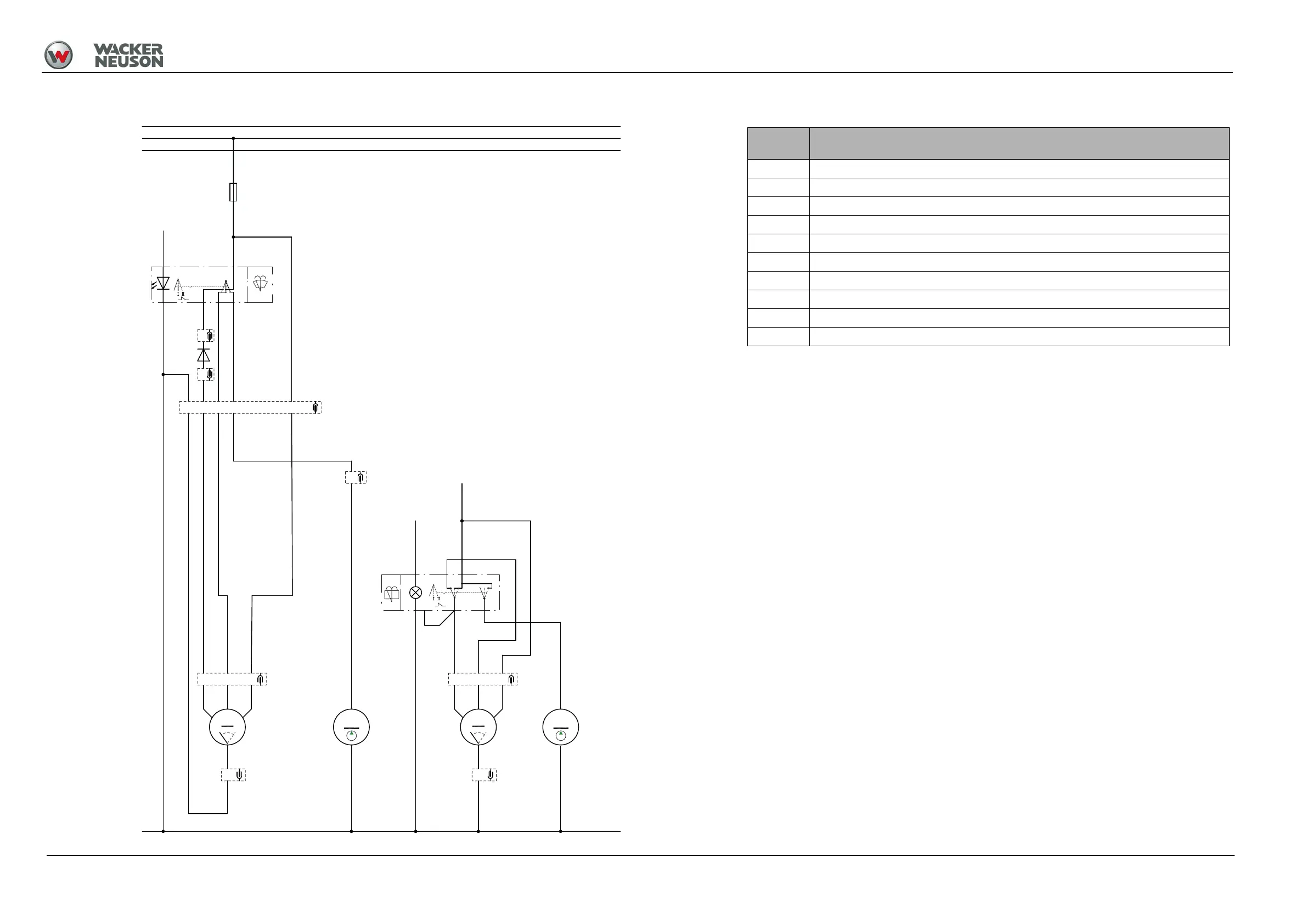
9.20 Electrical diagram – Washer system (FG07-01)
X030:2/FG05-1
F039/FG05-1
F008/FG03-1
15
50
15
50
31 31
3030
7
8
31
0
0,1
6
5
35246
142
3
5331b 53a
31
1
2
7
2
5
4
0,1
4
1
2
3
14
2
53 31b 53a
31
1
2
9
10
M
M
M
M
S020
GN GN
F010
7.5 A
GN
X004
WH
RD
YE
BK GN
BK
BK
M002
BK
WH
RD/WH-1,5
M002
WH
M002
M005
BK
S126
X030
WH
WH
BU
BN
M006
BK
BN
M003
M003
M003
YE/GN
BK
BK
BK
YE
V010
BU
YE
Assign-
ment
Designation
F010 Window wiper and front washer pump
M002 Front wiper motor
M003 Rear wiper motor
M005 Front wipe/wash pump
M006 Rear wipe/wash pump
S020 Front wiper
S126 Rear wiper switch
V10 Diode window wiper
X004 Window wiper, wiper water
X030 Cab

Table of Contents

Related product manuals