EasyManua.ls Logo

Yamaha FJR1300A - Page 264

Yamaha FJR1300A
586 pages
Print Icon
To Next Page IconTo Next Page
To Next Page IconTo Next Page
To Previous Page IconTo Previous Page
To Previous Page IconTo Previous Page
Loading...
ENGINE REMOVAL
5-3
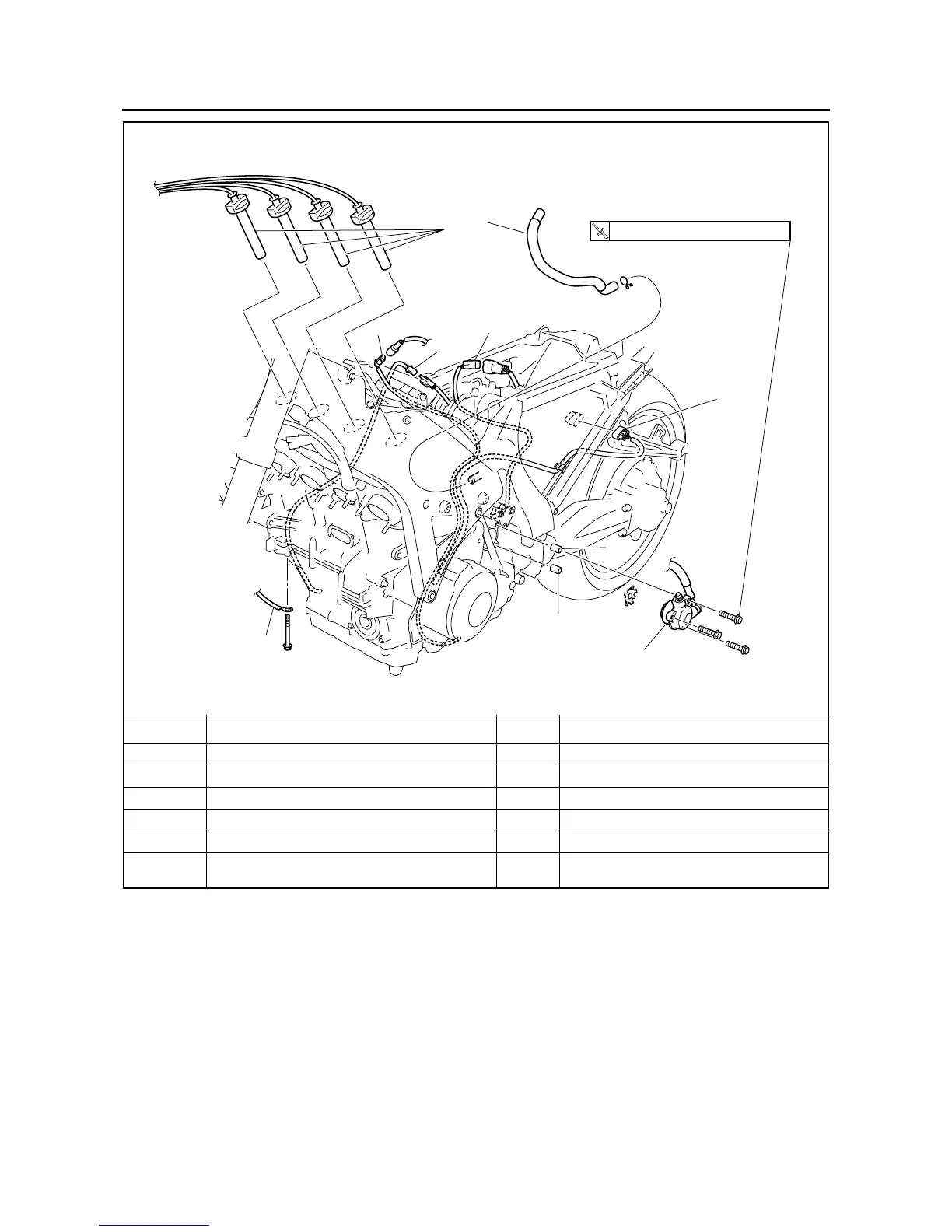
5 Oil level switch coupler 1 Disconnect.
6 Crankshaft position sensor coupler 1 Disconnect.
7 Gear position switch coupler 1 Disconnect.
8 Ground lead 1 Disconnect.
9 Spark plug cap 4
For installation, reverse the removal proce-
dure.
Disconnecting the leads and hoses
Order Job/Parts to remove Qty Remarks
9
2
2
1
3
5
6
7
4
8
T
R
.
.
10 Nm (1.0 m
kg, 7.2 ft
Ib)
Manuals by Motomatrix / www.motomatrix.co.uk / The Solution For Lost Motorcycle Coded Keys
email: info@motomatrix.co.uk

Table of Contents

Other manuals for Yamaha FJR1300A

Related product manuals