EasyManua.ls Logo

Yamaha XVS6501997 - Page 49

Yamaha XVS6501997
327 pages
Print Icon
To Next Page IconTo Next Page
To Next Page IconTo Next Page
To Previous Page IconTo Previous Page
To Previous Page IconTo Previous Page
Loading...
2-29
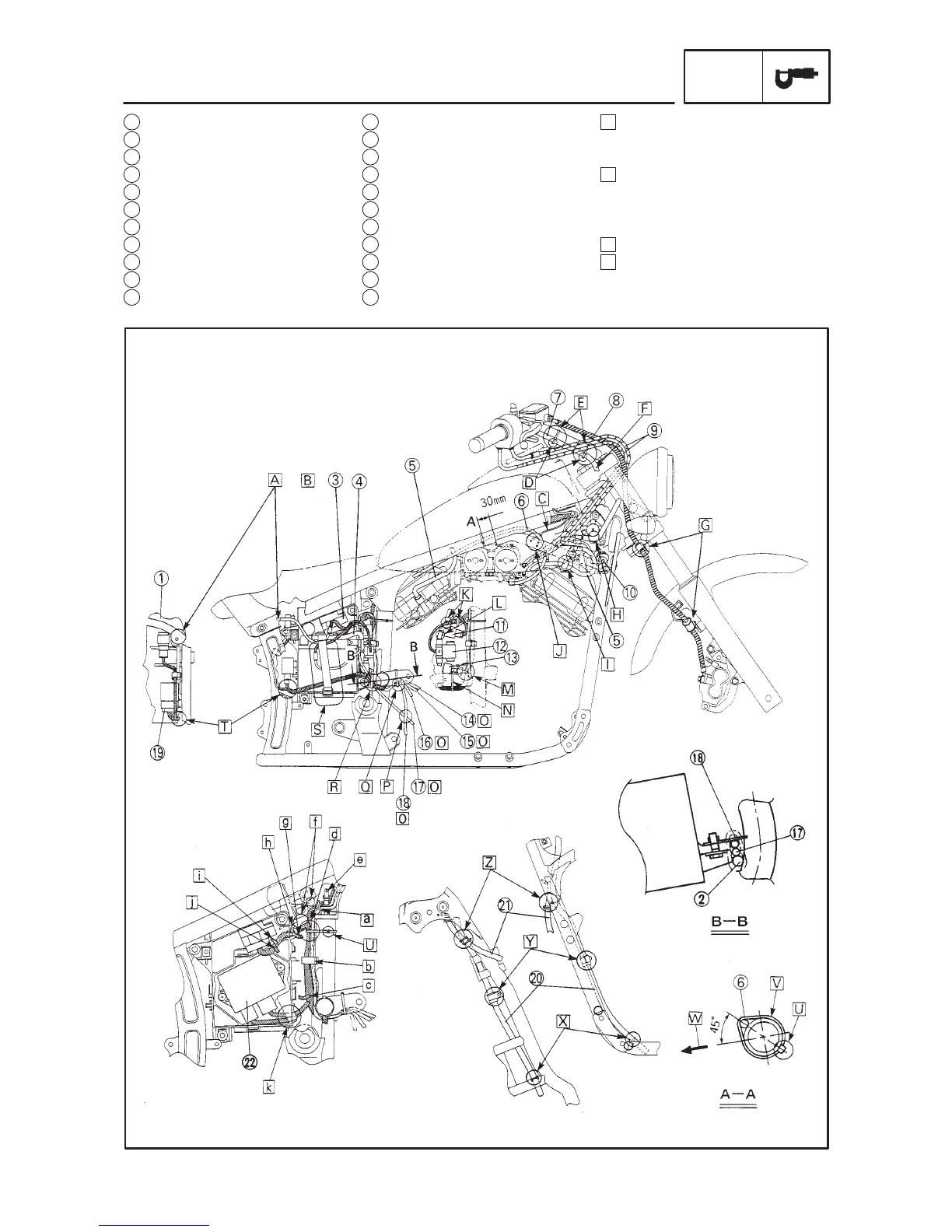
1 Frame bracket
2 Wire harness
3 Fuse box
4 Battery positive (+) lead
5 Spark plug lead
6 Starter cable
7 Right handlebar switch lead
8 Brake hose
9 Throttle cables
10 Thermo switch lead
11 Flasher light relay
CABLE ROUTING
SPEC
12 Starter relay
13 Carburetor heater relay
14 Neutral switch lead
15 Pickup coil lead
16 A.C. magneto lead
17 Battery negative (–) lead
18 Starter motor lead
19 Starting circuit cut-off relay
20 Fuel tank breather hose
21 Speedometer cable
22 Ignitor unit
A Pass the tail/brake light lead
between the frame bracket and
battery box.
B Fasten the tail/brake light lead
with a battery band. Do not
pinch the harness and tail/
brake light lead.
C To the ignition coil.
D The end of the plastic locking
tie should face towards the
under the handlebar.

Table of Contents

Related product manuals