EasyManua.ls Logo

Best GENIUS Compact - Page 219

Best GENIUS Compact
238 pages
Print Icon
To Next Page IconTo Next Page
To Next Page IconTo Next Page
To Previous Page IconTo Previous Page
To Previous Page IconTo Previous Page
Loading...
HU
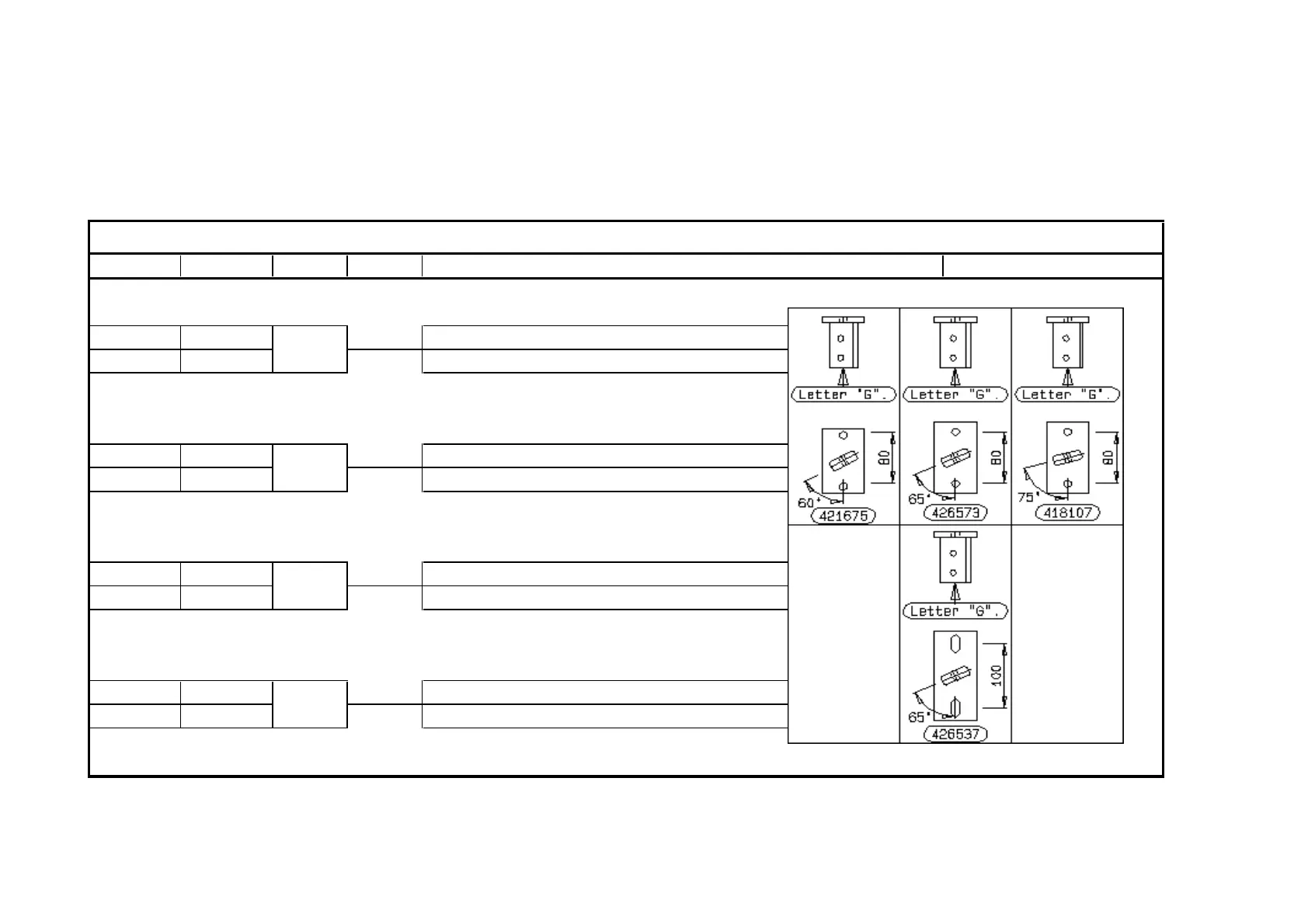
6SDUHSDUWV)ODWSDQVKDNHU
6SDUHSDUW 3UHVHQW 'UDZQU 3%6QU 7HFKQLFDOGHVFULSWLRQ
$ 6XSSRUWXSSHUULJKWVWUHVVUHOLHYHG
$ 6XSSRUWORZHUULJKWVWUHVVUHOLHYHG
$ 6XSSRUWXSSHUULJKWVWUHVVUHOLHYHG
$ 6XSSRUWORZHUULJKWVWUHVVUHOLHYHG
$ 6XSSRUWXSSHUULJKWVWUHVVUHOLHYHG
$ 6XSSRUWORZHUULJKWVWUHVVUHOLHYHG
$ ; 6XSSRUWXSSHUULJKWVWUHVVUHOLHYHG
$ 6XSSRUWORZHUULJKWVWUHVVUHOLHYHG





Table of Contents