EasyManua.ls Logo

CF MOTO ZForce 950EX - 12.12 Charging System

CF MOTO ZForce 950EX
312 pages
Print Icon
To Next Page IconTo Next Page
To Next Page IconTo Next Page
To Previous Page IconTo Previous Page
To Previous Page IconTo Previous Page
Loading...
12 Electrical System
12-19
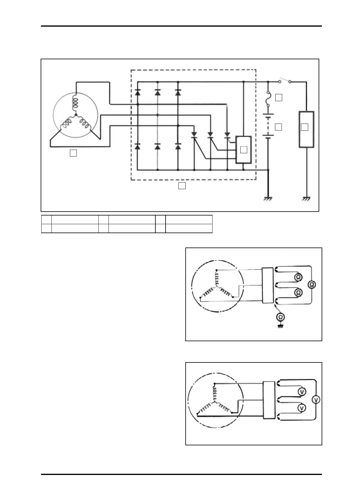
1 Magneto 3 Stable voltage 5 Battery
2 Regulator 4 Fuse 6 Load
Magneto Coil Resistance
Measure resistance between 3-phase
magneto stator coil.
If the resistance is out of specification,
replace with a new stator.
Check for the insulation between stator coil
and core.
Turn multimeter to 1×10Ω
MAG Coil Resistance:
0.5Ω~1.5Ω (Yellow-Yellow)
Resistance between Stator Coil and Core:
∞Ω (Yellow-Ground)
MAG Non-loaded Performance
Start the engine and allow it run at 5000r/
min. Use multimeter to measure the
voltage between 3 output lines.
If the reading is below specification,
replace with a new magneto.
Turn Multimeter to V(AC).
Voltage between Output Lines When MAG
Non-loaded:
>75V(AC) at 5000r/min
Resistance measurement
Voltage measurement
12.12 Charging System
12.12.1 Charging system wiring
121201
121202
121203
1
2
3
4
5
6
© CFMOTO Powersports, Inc. This manual is subject to all applicable copyright laws.
Reproduction or duplication in any form, whole or in part, is strictly prohbited.

Table of Contents

Related product manuals