EasyManua.ls Logo

EXFO FTBx-88260 - Page 86

EXFO FTBx-88260
1071 pages
Print Icon
To Next Page IconTo Next Page
To Next Page IconTo Next Page
To Previous Page IconTo Previous Page
To Previous Page IconTo Previous Page
Loading...
Test Setup - Test Applications
70 FTBx-88000 Series
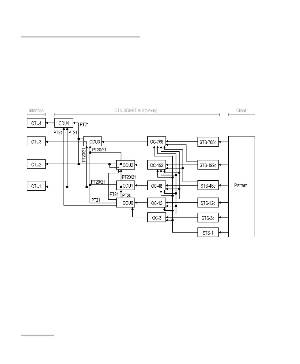
OTN-SONET/SDH BERT
Path/Mapping
The OTN-SONET/SDH BERT test application offers the following
path/mapping structures depending on the module, inserted
transceiver, and enabled options.
For OTN-SONET BERT: up to OTU4 for 88200NGE, up to OTU3 for 88260,
and up to OTU2 for 8870/8880.

Table of Contents

Related product manuals