EasyManua.ls Logo

EXFO FTBx-88260 - Page 87

EXFO FTBx-88260
1071 pages
Print Icon
To Next Page IconTo Next Page
To Next Page IconTo Next Page
To Previous Page IconTo Previous Page
To Previous Page IconTo Previous Page
Loading...
Test Setup - Test Applications
Power Blazer 71
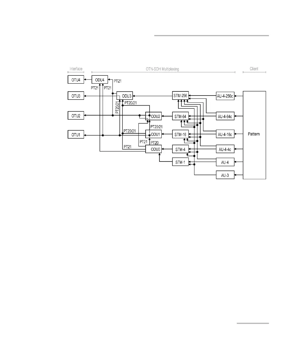
OTN-SONET/SDH BERT
For OTN-SDH BERT: up to OTU4 for 88200NGE, up to OTU3 for 88260,
and up to OTU2 for 8870/8880.

Table of Contents

Related product manuals